EasyManua.ls Logo

ABB ScreenMaster RVG200 - Operating the ScreenMaster RVG200; Powering Up and Front Panel Overview

ABB ScreenMaster RVG200
190 pages
Print Icon
To Next Page IconTo Next Page
To Next Page IconTo Next Page
To Previous Page IconTo Previous Page
To Previous Page IconTo Previous Page
Loading...
ScreenMaster RVG200
Paperless recorder 3 Installation
22 OI/RVG200-EN
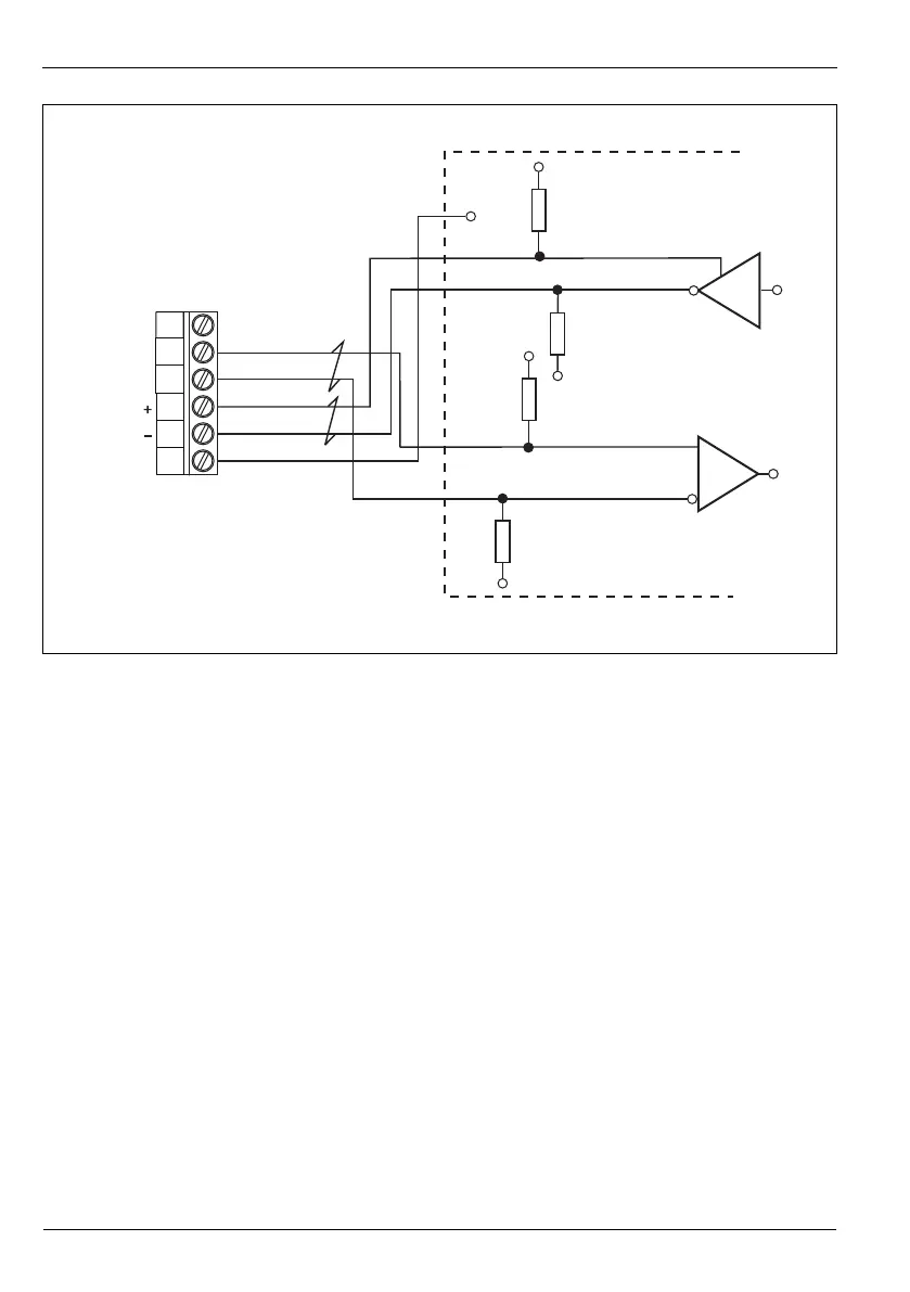
Fig. 3.10 4-wire connection
8
9
10
11
12
13
Terminal block E
Host computer
COM
GND
1.8 k pull-up resistor
1.8 k pull-down resistor
Tx +
Tx
Rx +
Rx
0V
+5 V
'B'
'B'
'A'
'A'
GND
1.8 k pull-down resistor
0V
1.8 k pull-up resistor
+5 V

Table of Contents

Other manuals for ABB ScreenMaster RVG200

Related product manuals