EasyManua.ls Logo

Amada IS-300A - Page 71

Amada IS-300A
127 pages
Print Icon
To Next Page IconTo Next Page
To Next Page IconTo Next Page
To Previous Page IconTo Previous Page
To Previous Page IconTo Previous Page
Loading...
IS-300A
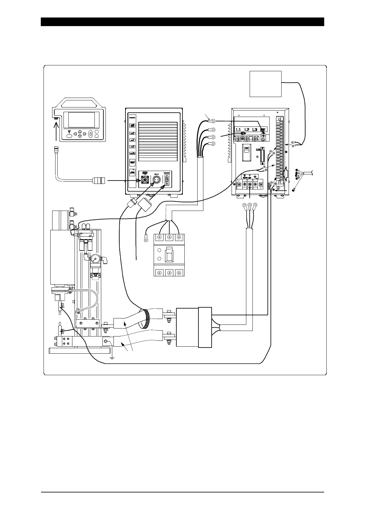
5. Installation and Connection
5-5
When using another manufacturer's transformer
{
{
}
L1,L2,L3,PE)
Power cable
Communication cable
To PE
Circuit cable
External I/O
signal cable
(4-core:
To PC
To ground
MA-660A
Valve signal line
Welding
head
breaker
Earth leakage
Secondary
conductor
Start signal line
PLC
Shielded
line
Voltage detecting cable
Output cable
(3-core: U,V,PE)
the terminal strip
Match indications on
and the cable.
Toroidal coil
Welding
transformer
Transformer thermo
IS-300A Rear
IS-300A Front
(Note 1) All items other than IS-300A are sold separately.
(Note 2) In the secondary constant-current effective value control and secondary
constant-power effective value control, the toroidal coil is required. Connect the
voltage detecting cable neat the electrode and connect the other side to Pins 38 and
39 on the external I/O terminal strip.
(Note 3) The screw of the power cable for IS-300A is M8 (M6 for the PE terminal). The screw
of the output cable is M6 for U, V and PE.
(Note 4) On the MODE SELECT screen, set SCAN MODE to OFF. (See 4. (9)(q).)

Table of Contents

Related product manuals