EasyManua.ls Logo

Amada IS-300A - (5) Major Components List; (6) Schematic

Amada IS-300A
127 pages
Print Icon
To Next Page IconTo Next Page
To Next Page IconTo Next Page
To Previous Page IconTo Previous Page
To Previous Page IconTo Previous Page
Loading...
IS-300A
10. Specifications
10-7
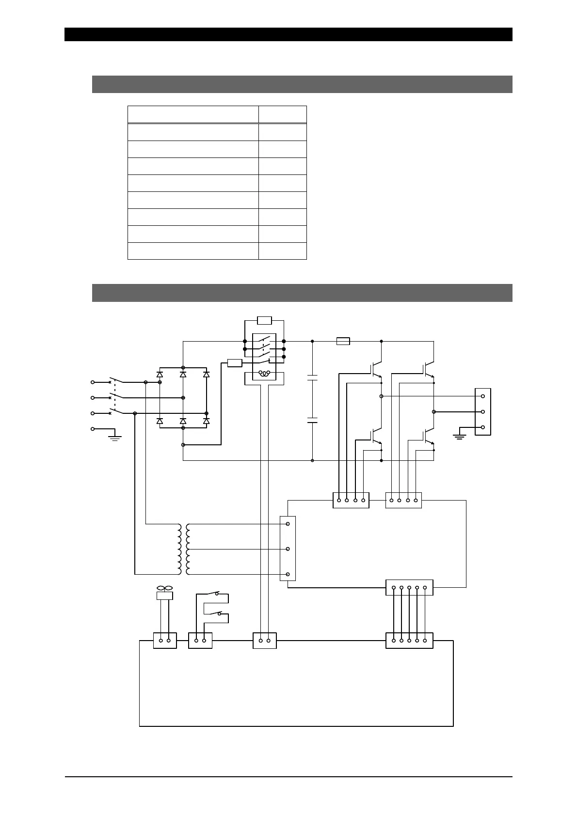
(5) Major Components List
Item Q’ty
Fan motor 1
Power transformer 1
Thermal protector 2
Diode module 1
IGBT module 2
Fast-blow fuse 1
Circuit breaker 1
Electromagnetic contactor 1
(6) Schematic
PE
L3
L2
L1
PE
V
U
+
+
MCCB
T
TH(IGBT)
TH(DIODE)
MC
DIODE
IGBT
FAN
F
POWER P.C.B.
CONTROL P.C.B.
IGBT

Table of Contents

Related product manuals