EasyManua.ls Logo

AND AD-4401A - Page 48

AND AD-4401A
100 pages
Print Icon
To Next Page IconTo Next Page
To Next Page IconTo Next Page
To Previous Page IconTo Previous Page
To Previous Page IconTo Previous Page
Loading...
AD-4401A
Page 48
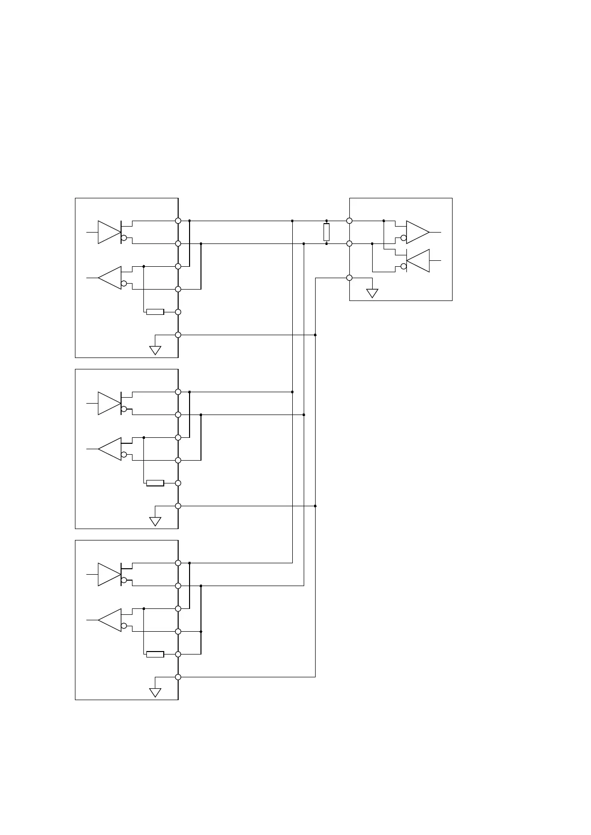
14.2.2. 2-wire RS-485
Short-circuit the terminals No.1 and No.3, and the terminals No.2 and No.4 as shown below.
Terminal resistors must be installed on both ends of the circuit.
When a multidrop connection is required, refer to Multidrop connectionin 14.9. Format When
Communication Type (rS F-02) is 4”.
Master
AD-4401A (Slave address 1)
100 Ω
1
2
3
4
5
6
1
2
3
4
5
6
1
2
3
4
5
6
AD-4401A (Slave address 2)
AD-4401A (Slave address 3)

Table of Contents

Related product manuals