EasyManua.ls Logo

ARRI TRINITY 2 - Page 10

ARRI TRINITY 2
93 pages
Print Icon
To Next Page IconTo Next Page
To Next Page IconTo Next Page
To Previous Page IconTo Previous Page
To Previous Page IconTo Previous Page
Loading...
About the product 10
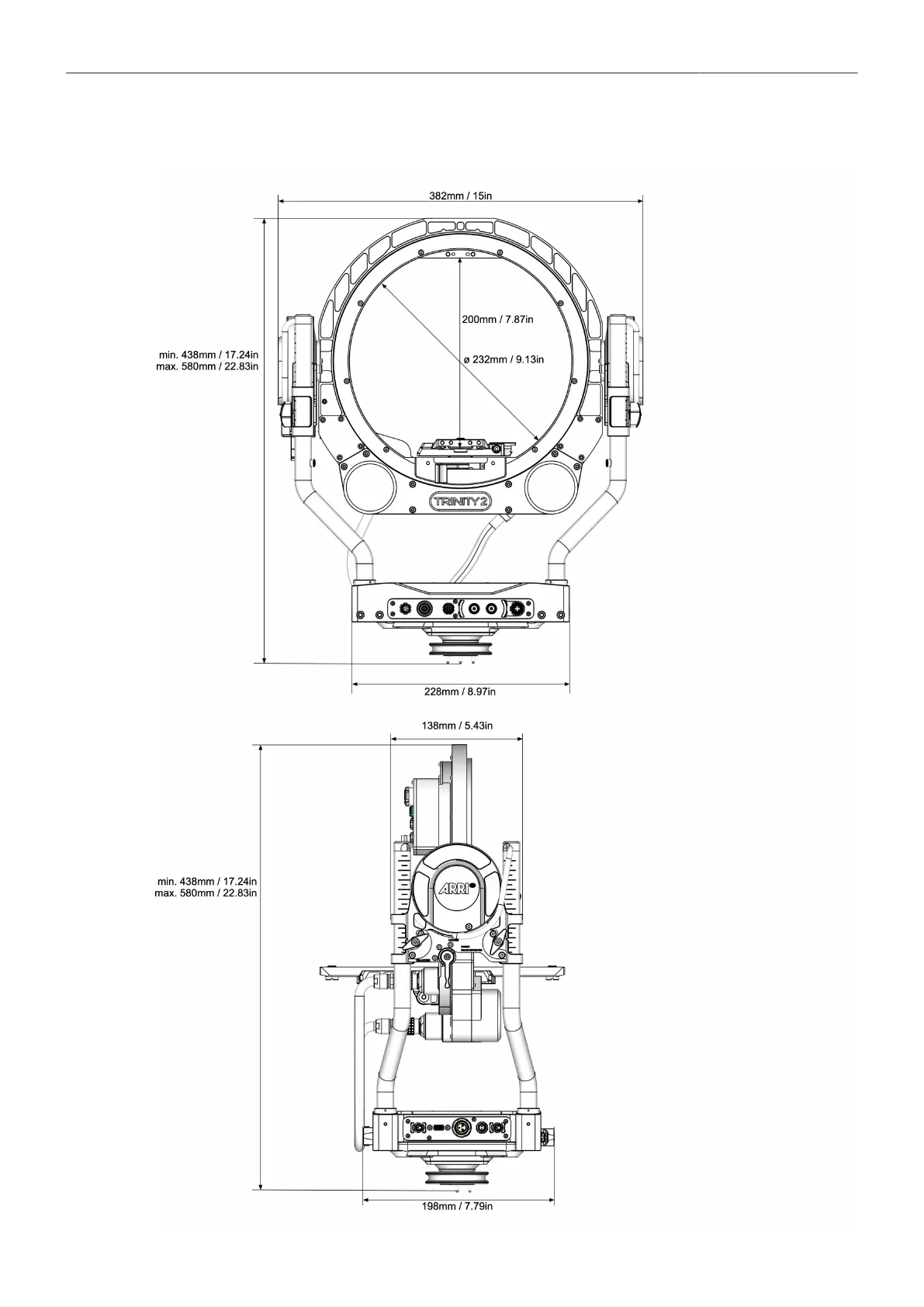
TRINITY Head 2 (TRH-2)

Table of Contents

Other manuals for ARRI TRINITY 2

Related product manuals