EasyManua.ls Logo

Atlantic CALYPSO - Schema DI Messa in Servizio

Atlantic CALYPSO
Print Icon
To Next Page IconTo Next Page
To Next Page IconTo Next Page
To Previous Page IconTo Previous Page
To Previous Page IconTo Previous Page
Loading...
148148
Avvertenze Installazione Utilizzo
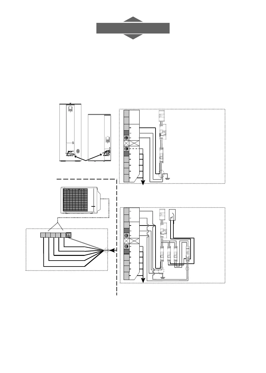
Per proteggere la vasca dalla corrosione,
Contatore di energia
oppure
contatto Smart-Grid
oppure
gestore dell'energia
fotovoltaica
1 mm²
2A
16A 2A
1C 2C
Interruttore
generale
16A
2,5 mm²
2,5 mm²
Scatola dei collegamenti
elettrici dello scaldacqua
1 2 3 L
N
N P 11
12
Verso l'unità esterna
(7G 1,5 mm²)
Alimentazione
permanente
230V Mono
(3G 2,5 mm²)
230V
HC/HP
7G 1,5 mm²
Scatola dei raccordi
elettrici dell'unità esterna
1 2 3 L
N
N P 11
12
Verso l'unità esterna
(7G 1,5 mm²)
Alimentazione
permanente
230V Mono
(3G 2,5 mm²)
230V
HC/HP
Scatola dei raccordi elettrici
dell'unità esterna
Scatola dei raccordi elettrici
dell'unità esterna
2
- Funcionamiento en horas valle
o con paneles fotovoltaicos
1- Funzionamento continuo o utilizzo della programmazione interna
Protezione
differenziale
Interruttore
1
2
3
L N
Relais
NOTA: In alcuni casi in cui è difficile installare un cavo fuori picco, è possibile sostituire il contatto fuori picco/ore con
l'orologio incorporato (campo di funzionamento Prog). Occorre quindi programmarlo in base alle tariffe in vigore nel luogo di
installazione (realizzare lo schema 1).
Lo schema del quadro elettrico rappresenta un contatore elettronico. In presenza di contatore meccanico, riprendere l'alimentazione
da 230 V del contattore HC/HP.
Per maggiori informazioni, consultare il paragrafo "Collegamento elettrico" del manuale.
lo scaldacqua deve essere continuamente alimentato.
Lorem ipsum
Lorem ipsum
4. Schema di messa in servizio

Table of Contents

Related product manuals