EasyManua.ls Logo

Atlantic CALYPSO - Schema DI Manutenzione

Atlantic CALYPSO
Print Icon
To Next Page IconTo Next Page
To Next Page IconTo Next Page
To Previous Page IconTo Previous Page
To Previous Page IconTo Previous Page
Loading...
190190
Avvertenze Installazione Utilizzo
190190190190
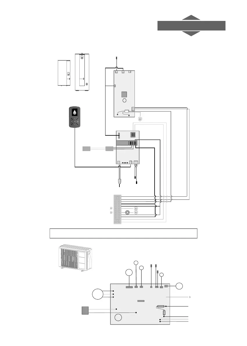
20. Schema di manutenzione
Scheda dipotenza
CN21
CN18
CN32
CN1
Scheda diinterfaccia
Sonda
condensatore
Lun 17:20
54
Pannello
operatore
Riscaldatore a
immersione
ACI
Sonda
serbatoio
alto
Sonda
pozzetto
1
2
3
12
11
P
N
N
L
L
1
N
2
3
U
V
W
Fusibile 20A
Fusibile 5A
P21
P650
P5 P1
P30
P60
P20
V
U
W
Compressore
Bobina
Ventola
Pressostato
HP
Sensore
di
pressione
Sonda
dell'aria
Sonda
dell'evaporatore
Sonda di
mandata
EEV
Valvola a 4 vie
TUTTE LE SCHEDE E I SENSORI SONO DOTATI DI UNA TENSIONE DI 230 V
Morsetto verso
l'alimentazione
di rete e l'unità esterna
Interruttore
termico
Ferrite

Table of Contents

Related product manuals