EasyManua.ls Logo

auer 6P10 PILOT - A2.1 - CASE N°1 - 1 HRC; Heat Pump + 1 Heating Circuit

auer 6P10 PILOT
60 pages
Print Icon
To Next Page IconTo Next Page
To Next Page IconTo Next Page
To Previous Page IconTo Previous Page
To Previous Page IconTo Previous Page
Loading...
- 6P10 PILOT MANUAL
-
36
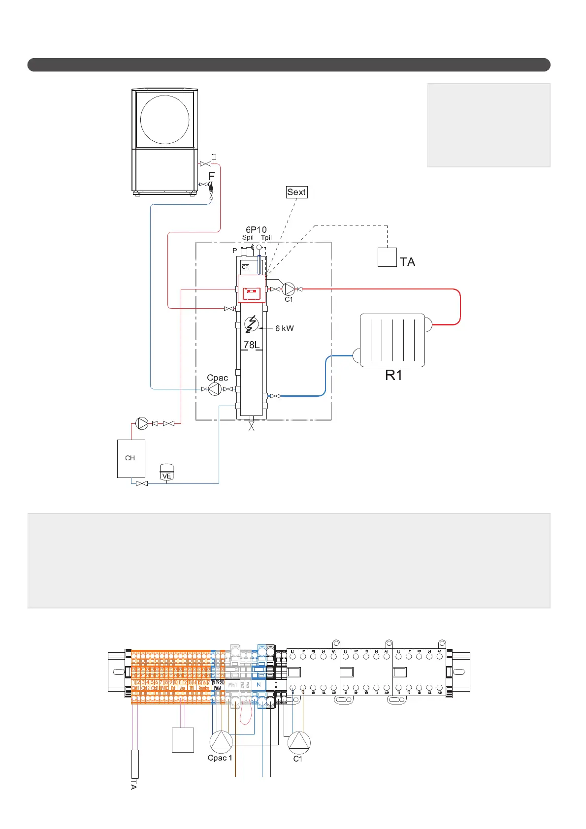
A2.1 - CASE n°1 - 1 HRC
70
heat pump + 1 heating circuit
C1 : Heating circuit circulating pump
CH : Back-up boiler (optional)
*Cpac : Heat pump 2 circulating pump
Ext : External sensor
F : Filter
P : Air bleed
R1 : Radiators heating circuit
Spil : Pilot pressure relief valve
TA : Room thermostat
Tpil : Pilot temperature sensor
VE : Expansion vessel
CONFIGURATION:
C-1 Radiator
A-1 thermostat
C-2 INACTIV
C-3 INACTIV
Dry
contact to
back-up
boiler

Table of Contents