EasyManua.ls Logo

auer 6P10 PILOT - A2.3 - CASE N°3 - 1 HRC70 Heat Pump + 1 DHW Tank + 1 Heating Circuit

auer 6P10 PILOT
60 pages
Print Icon
To Next Page IconTo Next Page
To Next Page IconTo Next Page
To Previous Page IconTo Previous Page
To Previous Page IconTo Previous Page
Loading...
- 6P10 PILOT MANUAL
-
38
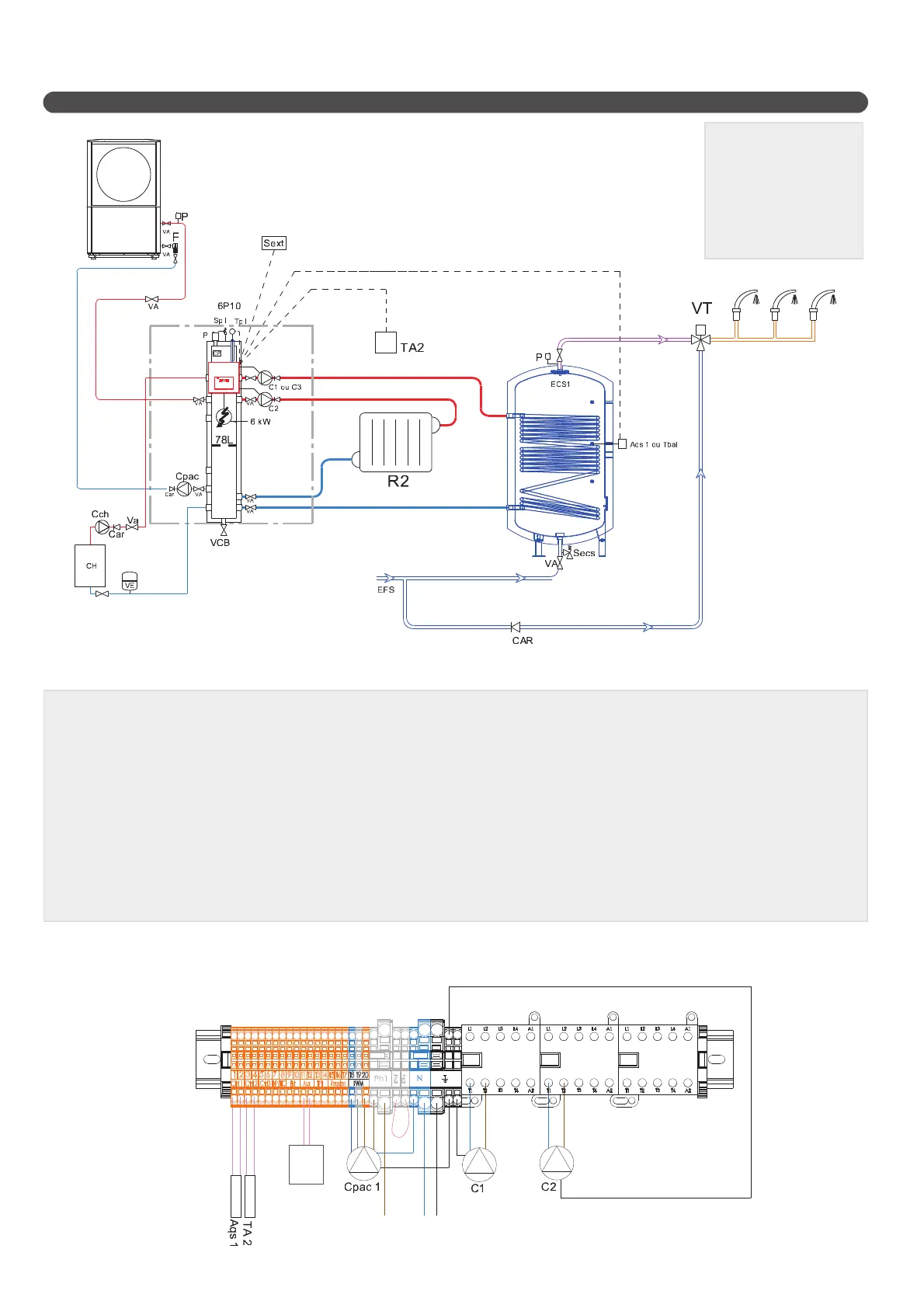
A2.3 - CASE n°3 - 1 HRC70 heat pump + 1 DHW tank + 1 heating circuit
Aqs1 : Aquastat DHW tank (Ctrl 1) (or Tbal = sanitary sensor)
C1 : DHW tank circulating pump (ou C3)
C2 : Heating circuit circulating pump
CAR : Check valve
Cch : Boiler circulating pump (managed by the boiler)
CH : Back-up boiler (optional)
*Cpac : Heat pump 2 circulating pump
EFS : Domestic Cold Water
Ext : External sensor
F : Filter
P : Air bleed
R2 : Heating circuit (radiators)
Sch : Boiler pressure relief valve
Secs : Domestic water pressure relief valve
Spil : Pilot pressure relief valve
TA2 : Room thermostat (Ctrl 2)
Tpil : Pilot temperature sensor
VA : Stop valve
VCB : Desludging valve
VE : Expansion vessel
VT : Thermostatic valve
CONFIGURATION:
C-1 TANK
A-1 aquastat
C-2 Radiator
A-2 thermostat
C-3 INACTIV
Dry
contact to
back-up
boiler

Table of Contents