EasyManua.ls Logo

auer 6P10 PILOT - Heating Circuit

auer 6P10 PILOT
60 pages
Print Icon
To Next Page IconTo Next Page
To Next Page IconTo Next Page
To Previous Page IconTo Previous Page
To Previous Page IconTo Previous Page
Loading...
- 6P10 PILOT MANUAL
-
47
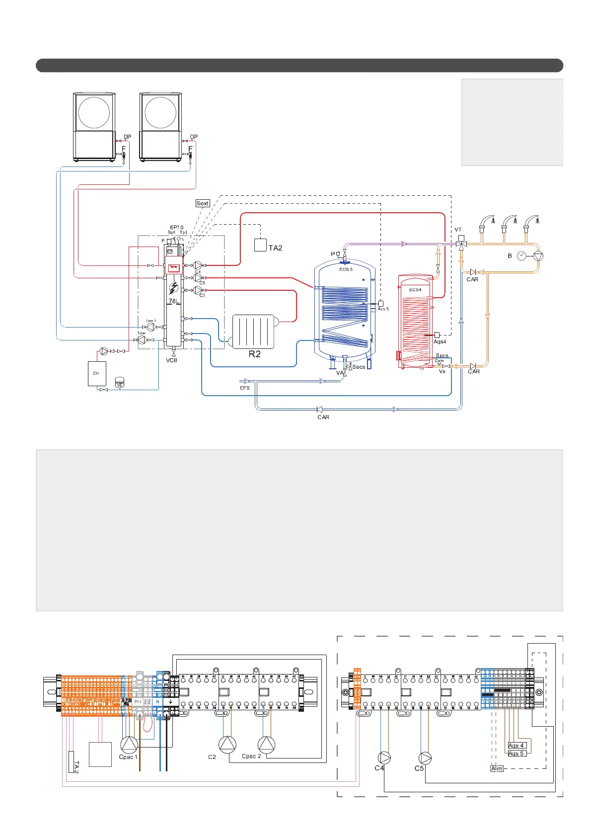
Aqs4 : Circuit 4 - DHW tank controlled by aquastat
Aqs5 : Circuit 5 - DHW tank controlled by aquastat
C2 : Circuit 2 - heating circuit circulating pump
C4 : Circuit 4 - DHW primary circulating pump
C5 : Circuit 5 - DHW primary circulating pump
CAR : Check valve
CH : Back-up boiler (optional)
*Cpac1 : Heat pump 1 circulating pump (PWM signal)
*Cpac2 : Heat pump 2 circulating pump
EFS : Domestic Cold Water
F : Filter
P : Air bleed
Secs : Domestic water pressure relief valve
Spil : Pilot pressure relief valve
TA2 : Circuit 2 - room thermostat
Tpil : Pilot temperature sensor
VA : Stop valve
VCB : Desludging valve
VE : Expansion vessel
VT : Thermostatic valve
A2.16 -CASE n°16 - 2 HRC70 heat pumps + 2 DHW tanks + 1 heating circuit
CONFIGURATION:
C-1 TANK
A-1 aquastat
C-2 Radiator
A-2 thermostat
C-3 INACTIV
Dry
contact to
back-up
boiler
754104* : 6P10 additional box
* Only the terminal block and circulator power cables are provided in the part number.

Table of Contents