EasyManua.ls Logo

auer HRC70 17 - Radiator Circuit + Pool

auer HRC70 17
84 pages
Print Icon
To Next Page IconTo Next Page
To Next Page IconTo Next Page
To Previous Page IconTo Previous Page
To Previous Page IconTo Previous Page
Loading...
- INSTALLER HIGHTEMPERATURE ENERGY EFFICIENT HEAT PUMP MANUAL -
64
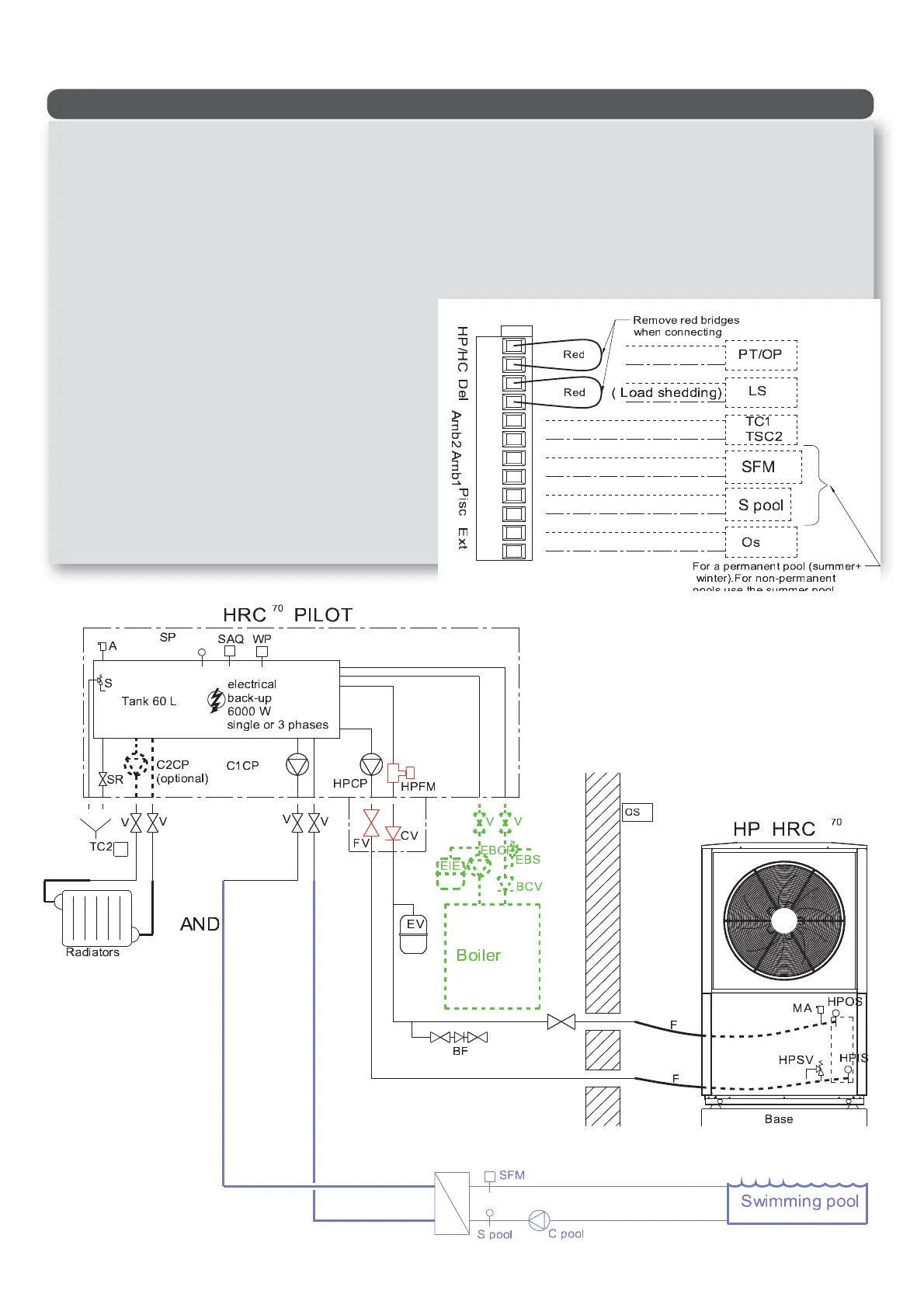
Hydraulic schematic diagram -1 RADIATOR CIRCUIT + POOL-
HPCP = Heat Pump circulator pump
C1CP = heating circuit 1 circulator pump
C2CP = heating circuit 2 circulator pump
FRM = Heat Pump  ow rate monitor
SV = 3-bar safety valve
P = air valve
PTS = HRC
70
Pilot temperature sensor (or outgoing water (OW)
temperature sensor)
SA = safety aquastat with manual reset, 110 °C
WP = water pressure sensor
SRV = sludge removal valve
FV = Heat Pump circuit  lter valve
V = stop valves
CV = check valve (to be used if HRC
70
Pilot is installed on a lower level
than the Heat Pump to avoid a thermosiphon e ect).
EV = expansion vessel
BPD = back ow prevention device
F = exible hose for Heat Pump connection
MAV = manual air valve
HPSV = Heat Pump safety valve, set to 2.5 bar
HPIWS = Heat Pump incoming water temperature sensor
HPOWS = Heat Pump outgoing water temperature sensor
EBCP = existing boiler circulator pump
EVE = expansion vessel for existing installation
BSV = safety valve for existing boiler
OTS = Heat Pump HRC
70
Pilot outdoor temperature sensor
TC2 = heating circuit 2 room thermostat
or RTS2 = room temperature sensor for heating circuit 2 (optional)
FRM SP = Swimming pool  ow rate monitor
S pool = Swimming pool sensor (optional, included in swimming pool kit)
C pool = swimming pool circulator pump
3WV = 3-way valve for radiator circuit (winter) or swimming pool circuit
(summer)
BCV = boiler check valve

Table of Contents

Related product manuals