EasyManua.ls Logo

auer HRC70 17 - Page 75

auer HRC70 17
84 pages
Print Icon
To Next Page IconTo Next Page
To Next Page IconTo Next Page
To Previous Page IconTo Previous Page
To Previous Page IconTo Previous Page
Loading...
- INSTALLER HIGHTEMPERATURE ENERGY EFFICIENT HEAT PUMP MANUAL-
75
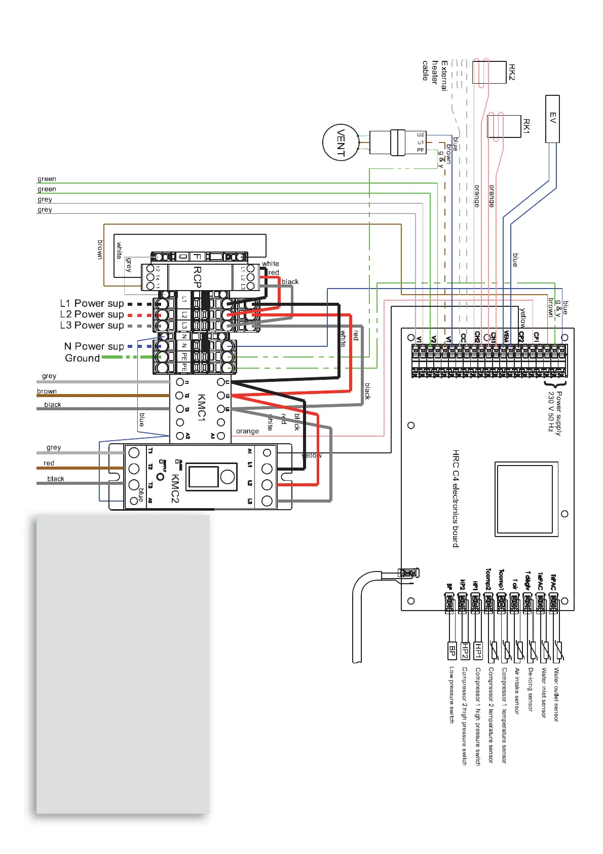
TsPAC : Outgoing water temperature sensor
TePAC : Incoming water temperature sensor
Tdégiv : De-icing temperture sensor
Tair : Incoming air temperature sensor
Tcomp1 : Compressor 1 temperature sensor
Tcomp 2 : Compressor 2 temperature sensor
HP1 : Compressor 1 high pressure switch
HP2 : Compressor 2 high pressure switch
BP : Low pressure switch
CP1 : Compressor 1 start-up command
CP2 : Compressor 2 start-up command
VEM : De-icing solenoid valve cycle inversion
command
CH1 : Compressor 1 RK1 heater cable
CH2 : Compressor 2 RK2 heater cable
CC : External heater cable
VT : Command speed 3 -fan-
V2 : Command speed 2 -fan-
V1 : Command speed 1 -fan-
F : 5x20 4A fuse
C V1 : 12μF capacitor speed 1 -fan-
K1 : Compressor 1 thermal protection
device
K2 : Compressor 2 thermal protection
device
VENT : Fan
RCP : Phase monitor
KMC1 : Compressor 1 contactor
KMC2 : Compressor 2 contactor
RK1 : Compressor 1 crank case heater
RK2 : Compressor 2 crank case heater
EV : De-icing solenoid valve
2-core sheathed cable
for heat pump /pilot

Table of Contents

Related product manuals