EasyManua.ls Logo

BENDIXKing KSN 8 Series - Page 204

BENDIXKing KSN 8 Series
228 pages
Print Icon
To Next Page IconTo Next Page
To Next Page IconTo Next Page
To Previous Page IconTo Previous Page
To Previous Page IconTo Previous Page
Loading...
89000046-014 KSN 780/8XX/900 AeroNav AML STC Installation Manual for Helicopters
Rev 0 Page D-56
© Honeywell International Inc. Do not copy without express permission of Honeywell.
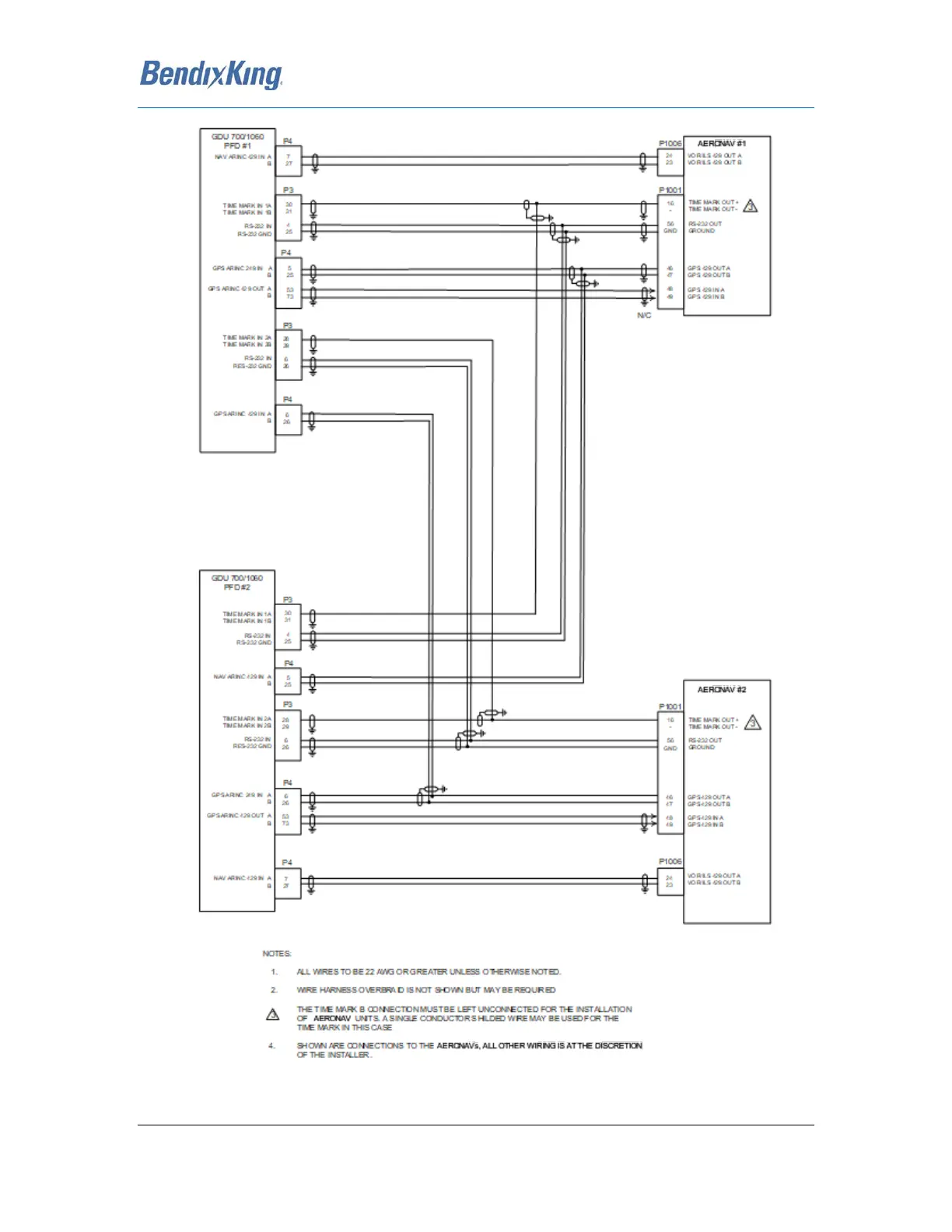
Figure D - 48: Dual GDU700/1060 PFD Interconnect

Table of Contents

Related product manuals