EasyManua.ls Logo

Beumer stretch hood S - Page 191

Default Icon
192 pages
Print Icon
To Next Page IconTo Next Page
To Next Page IconTo Next Page
To Previous Page IconTo Previous Page
To Previous Page IconTo Previous Page
Loading...
BEUMER Maschinenfabrik GmbH & Co. KG
Postfach 1254 - D – 59267 Beckum - Tel.: +49 (0) 25 21 –24 0 - Fax +49 (0) 25 21 –24 280
E-Mail: BEUMER@BEUMER.com - Internet: www.BEUMER.com
73
Maschine Zeichnung-Nr.
Machine
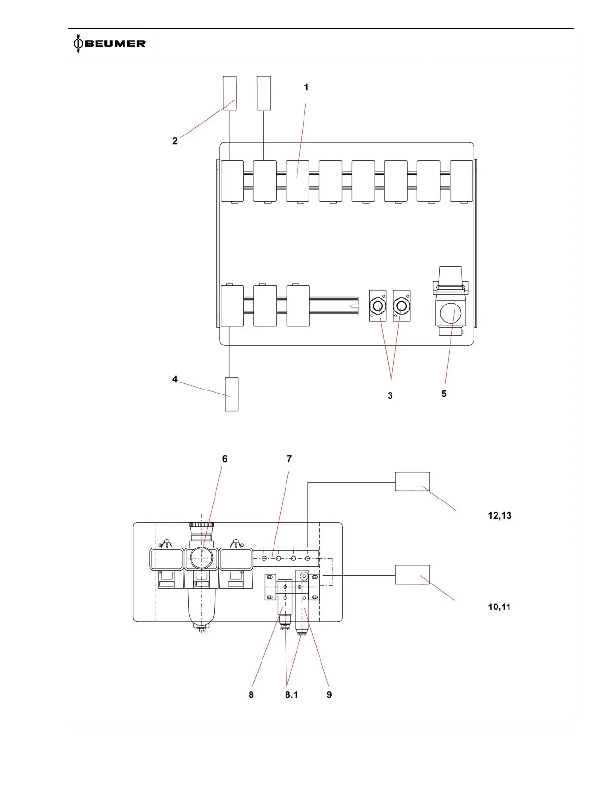
Pneumatikinstallationsplan
Pneumatic installation drawing
Drawing no.
2073

Table of Contents