EasyManua.ls Logo

Big Joe CB33 - Page 168

Big Joe CB33
170 pages
Print Icon
To Next Page IconTo Next Page
To Next Page IconTo Next Page
To Previous Page IconTo Previous Page
To Previous Page IconTo Previous Page
Loading...
12-90 BL-CB33-0115 - 03-01-2018
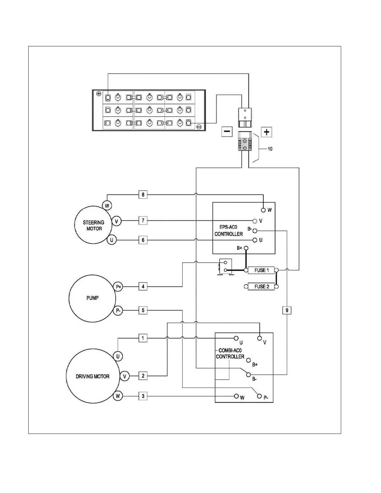
Figure 12-37 Wiring Cables
DP_0025

Table of Contents

Other manuals for Big Joe CB33

Related product manuals