EasyManua.ls Logo

Big Joe CB33 - Drive Assembly

Big Joe CB33
170 pages
Print Icon
To Next Page IconTo Next Page
To Next Page IconTo Next Page
To Previous Page IconTo Previous Page
To Previous Page IconTo Previous Page
Loading...
7-2 BL-CB33-0115 - 03-01-2018
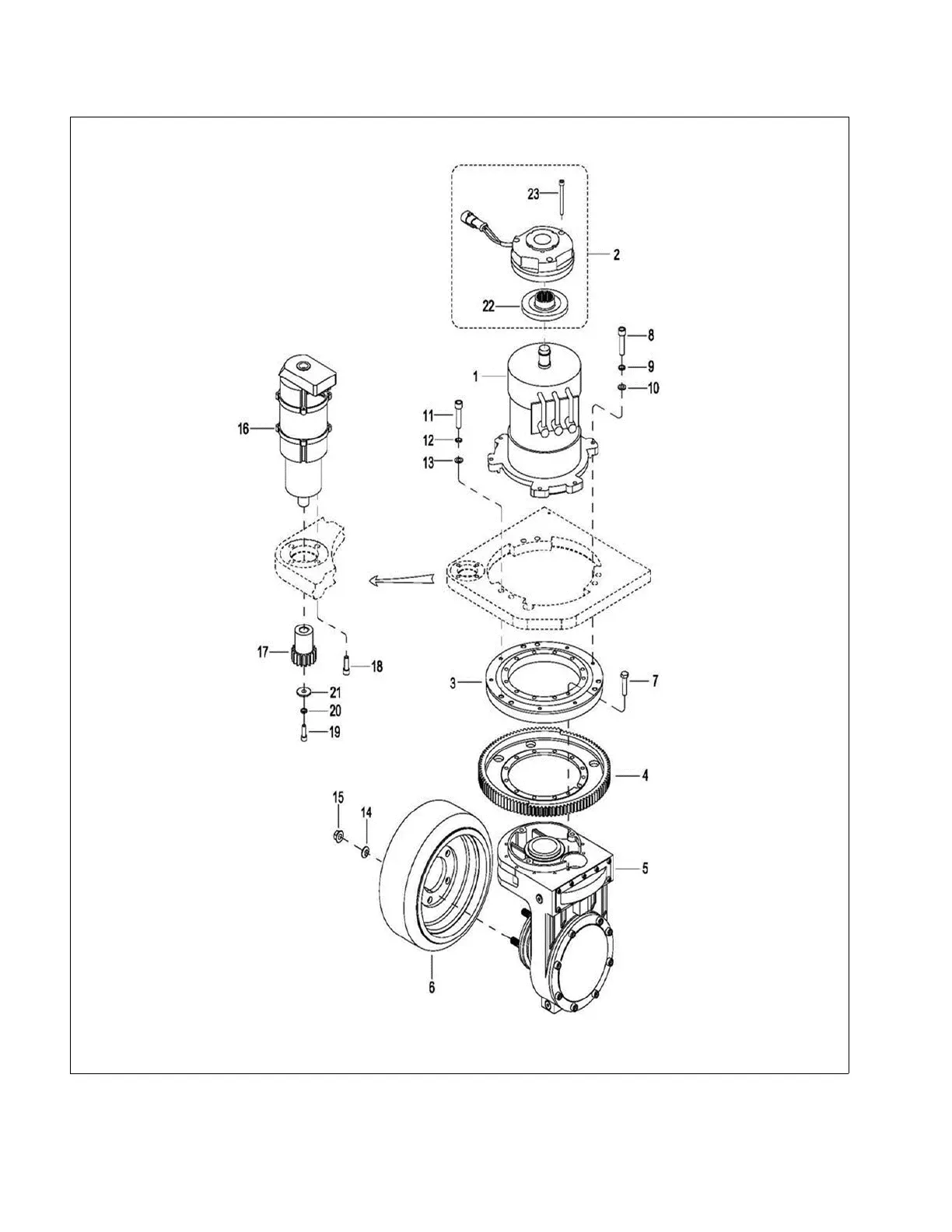
Figure 7-1 Drive Assembly
DP_0004

Table of Contents

Other manuals for Big Joe CB33

Related product manuals