EasyManua.ls Logo

Bosch Servodyn-D - CAN Bus Wiring: Rho3 and 2 CAN Buses

Bosch Servodyn-D
71 pages
Print Icon
To Next Page IconTo Next Page
To Next Page IconTo Next Page
To Previous Page IconTo Previous Page
To Previous Page IconTo Previous Page
Loading...
Appendix
A–3
1070 066 037-101 (00.02) GB
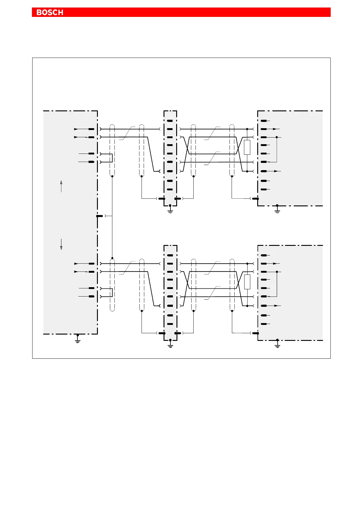
A.4 CAN bus wiring: rho3 and 2 CAN buses
15
8
6
15
8
6
rho3
5
CAN_Low
CAN_High
1
2
3
4
8
6
7
2
3
6
7
Inverter
X51
5
9
CAN_Low
CAN_GND
CAN_High
1
2
3
4
8
6
7
2
7
Inverter
X51
5
9
2
3
6
7
5
X51
Cannon
15pin
max. length of every single CAN bus: 20 m;
max. 6 inverters can be connected to each CAN bus;
when using T adapters, note the pin assignment of
the adapters (cf. page A–1)!
14
7
13
14
7
13
12
CAN_Low
CAN_High
1
2
3
4
8
6
7
2
3
6
7
Inverter
X51
5
9
CAN_Low
CAN_GND
CAN_High
1
2
3
4
8
6
7
2
7
Inverter
X51
5
9
2
3
6
7
12
CAN bus 1
CAN bus 2

Table of Contents

Related product manuals