EasyManua.ls Logo

btsr MATRIX CUBE - Page 5

Default Icon
129 pages
Print Icon
To Next Page IconTo Next Page
To Next Page IconTo Next Page
To Previous Page IconTo Previous Page
To Previous Page IconTo Previous Page
Loading...
Introduction
MATRIX CUBE - i -
Introduction
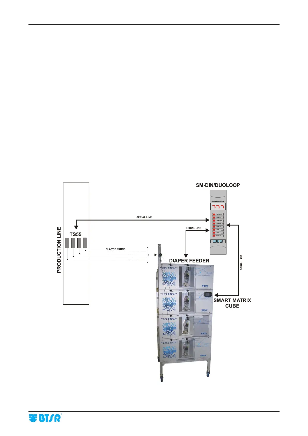
The MATRIX CUBE has been developed by BTSR International S.p.A. to optimize the elastic yarn
application on automatic diapers production lines.
Since, for space reason it is impossible to install feeding devices (such as BTSR ULTRAFEEDER devices)
on the exact application point of the elastic yarns along the production line, an innovative solution based
upon two independent (yet interactive) tension control/adjustment systems has been developed:
A first yarn tension control system at the application point, consisting of TS55 sensors (BTSR Patent).
A second yarn feeding tension control/adjustment system consisting of one or more creels located at a
certain distance from the actual elastic yarn application point and based upon DIAPER FEEDER motor-
driven devices (BTSR Patent).
The two adjustment systems are controlled and coordinated by a CPU consisting of a SM-DIN/DUOLOOP
Board capable of communicating both with the TS55 sensors and with the DIAPER FEEDER devices via
RS485 serial lines.
The control/adjustment parameters of TS55 sensors and of DIAPER FEEDER devices can be programmed
through a SMART MATRIX CUBE terminal; this too can communicate with the SM-DIN/DUOLOOP Board via
RS485 serial line.
The SM-DIN/DUOLOOP Board may also be integrated (as an alternative solution) with the
production line management system, via industrial field bus (PROFIBUS). In this case, the
programming of TS55 and DIAPER FEEDER control parameters can be directly carried out by the
line control system.
Application Principle Layout
Example of creel with 4 positions (4 TS55 sensors and 4 DIAPER FEEDER devices)

Table of Contents

Related product manuals