EasyManua.ls Logo

Caen N1471A - HV Status Control Section; Alarm Signal; Interlock Signal; Fig. 2.6: N1471 HV Status Control Panel

Default Icon
39 pages
Print Icon
To Next Page IconTo Next Page
To Next Page IconTo Next Page
To Previous Page IconTo Previous Page
To Previous Page IconTo Previous Page
Loading...
Programmable HV Power Supply
Revision 19
11
n
CAEN
T o o l s f o r D i sc o v e r y
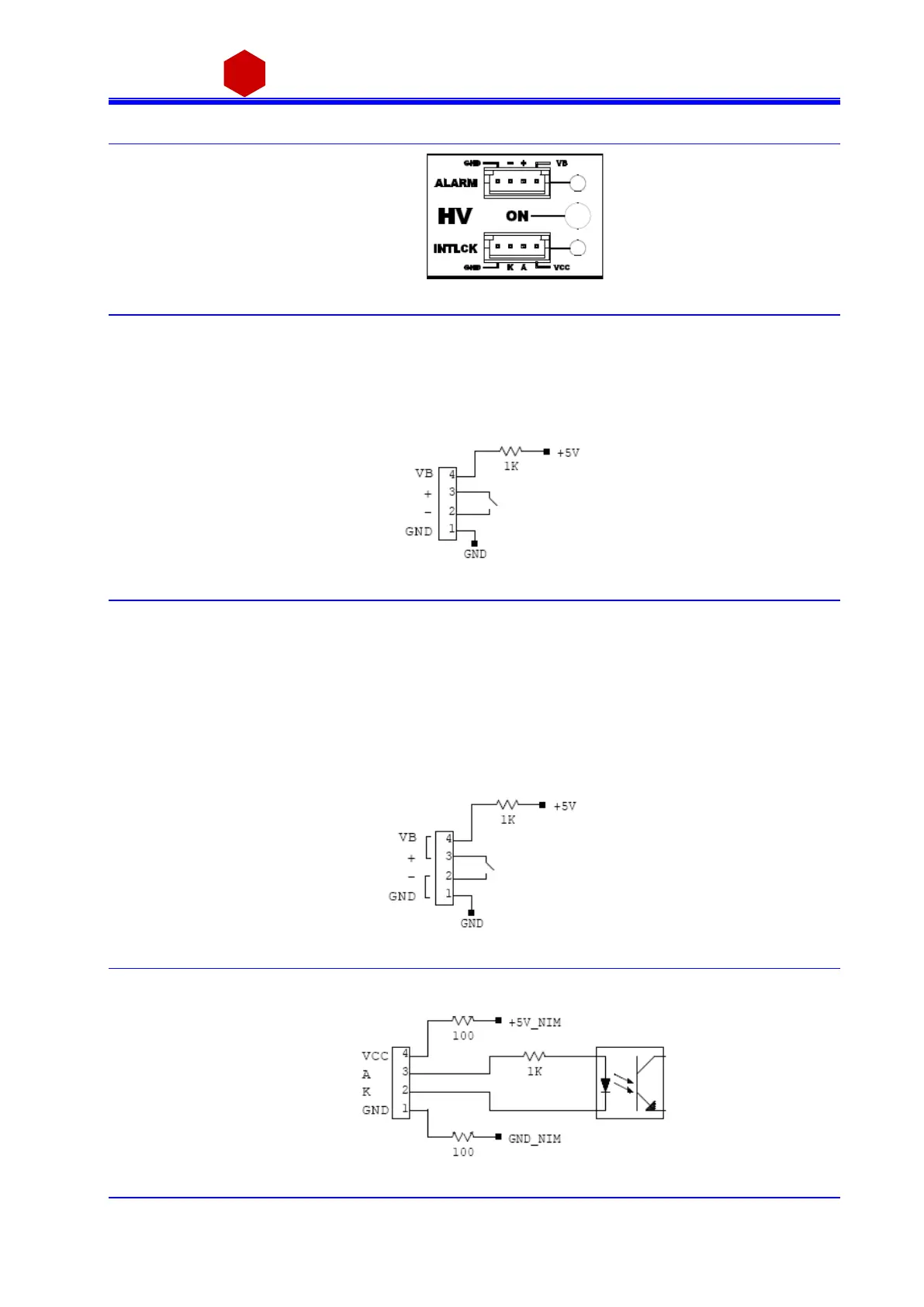
2.4.3 HV Status control section
Fig. 2.6: N1471 HV Status control panel
NAME:
TYPE:
SIGNAL:
FUNCTION:
ON
RED LED
HV On enabled (at least one channel ON)
ALARM
RED LED/ AMP 280371-2.
Out
Alarm status signaled (active LOW)
INTERLOCK
RED LED/ AMP 280371-2
In
Interlock signal
2.4.3.1 Alarm signal
Fig. 2.7: N1470 ALARM electrical scheme
As a n Al arm condition is detected (see § 3.5.3.1 and § 3.5.4.1) pins 2 and 3 (- a nd +) are closed; the contact can
be us ed to switch an external device s upplied by an external source, otherwise the VB a nd GND references can
be us ed to provide a TTL compatibl e level on pi n 2 a nd 3.
In the first ca s e (externa ll y s upplied device) the ma ximum al lowed ratings a re:
Maximum vol ta ge between + a nd -: 12V
Maximum sink current a cros s + a nd -: 100mA
In the l atter case, in order to produce a TTL compatible Alarm Out, pin 3 (+) must be connected with pi n 4 (VB)
and pin 1 (GND) wi th pi n 2 (-); see the di agram bel ow:
Fig. 2.8: N1470 ALARM TTL configured
2.4.3.2 Interlock signal
Fig. 2.9: N1470 INTERLOCK electrical scheme

Table of Contents

Related product manuals