EasyManua.ls Logo

Canon DADF-AA1 - 3.1 Basic Construction

Canon DADF-AA1
110 pages
Print Icon
To Next Page IconTo Next Page
To Next Page IconTo Next Page
To Previous Page IconTo Previous Page
To Previous Page IconTo Previous Page
Loading...
Chapter 3
3-1
3.1 Basic Construction
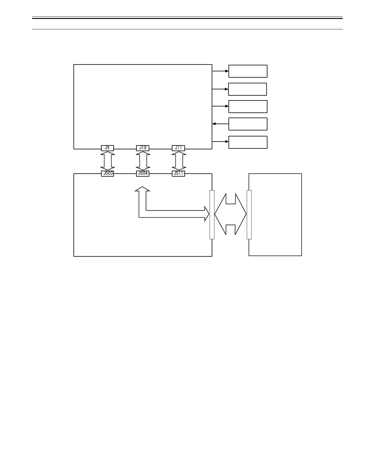
3.1.1 Outline of Electric Circuits
0024-6983
Electric circuits of this machine are controlled by the main controller PCB. The main controller PCB detect the input signals from sensors to output the signals that
drive DC loads such as motors, solenoids, clutches, and fans at the predetermined timings. The ADF driver PCB does not have a memory area; data such as the data
used in the service mode is stored in main controller PCB.
F-3-1
J512
J8141
Main
controller
PCB
Motor
Sensor
Solenoid
Reader relay PCB
ADF driver PCB
Clutch
Fan

Table of Contents