EasyManua.ls Logo

Carrier TRANSICOLD Vector 8700 - Page 23

Carrier TRANSICOLD Vector 8700
374 pages
Print Icon
To Next Page IconTo Next Page
To Next Page IconTo Next Page
To Previous Page IconTo Previous Page
To Previous Page IconTo Previous Page
Loading...
2–5 62-12259
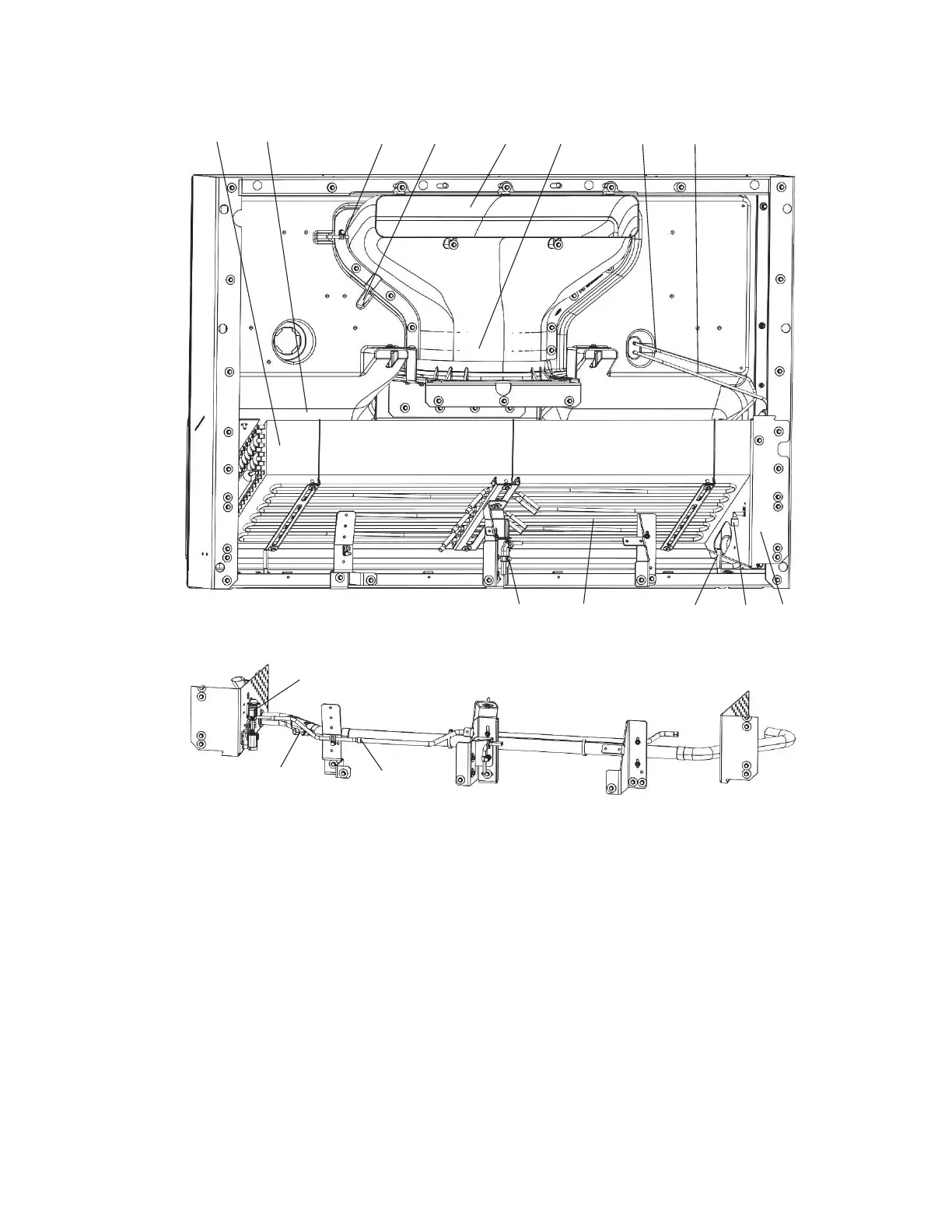
Figure 2.3 Evaporator Section - Grille Removed
1 2, 9 3 4 5 6
7 8
10
1112
1314
15
16
17
1. Evaporator Coil
2. Evaporator High Temperature Switch* (EVHTS)
3. Supply Air Temperature Sensor (1SAT)
4. Evaporator Fan Motor Wiring
5. Evaporator Air Nozzle
6. Evaporator Fan and Motor Assembly (EVM)
7. Low Pressure Defrost Air Switch Tubing (Clear)
8. High Pressure Defrost Air Switch Tubing (Red)
9. Defrost TerminaƟon Temperature Sensor* (1DTT)
10. Return Air Temperature Sensor
2 (RAT2) (located
behind bracket
, if equipped)
11. High Pressure Ai
r Switch Fiƫng
12. Drain Pan Heater (HTR1)
13. Defrost Heaters (HTR1 and 2)
14. Return Air Temperature Sensor (1RAT)
15. EVXV Inlet Strainer LocaƟon
16. Evaporator Outlet Pressure Transducer (EVOP) and
Evaporator Outlet Temperature Sensor (EVOT)
17. Evaporator Expansion Valve (EVXV) *Located on
tube
sheet

Table of Contents

Related product manuals