EasyManua.ls Logo

Comtech EF Data LPOD PS 1.5 - KT-0000098 LPOD C-Band Rx Switch Kit

Comtech EF Data LPOD PS 1.5
238 pages
Print Icon
To Next Page IconTo Next Page
To Next Page IconTo Next Page
To Previous Page IconTo Previous Page
To Previous Page IconTo Previous Page
Loading...
Low Power Outdoor (LPOD) Amplifier/Block Up Converter (BUC)
Revision 15
Appendix A A–15 MN-LPOD
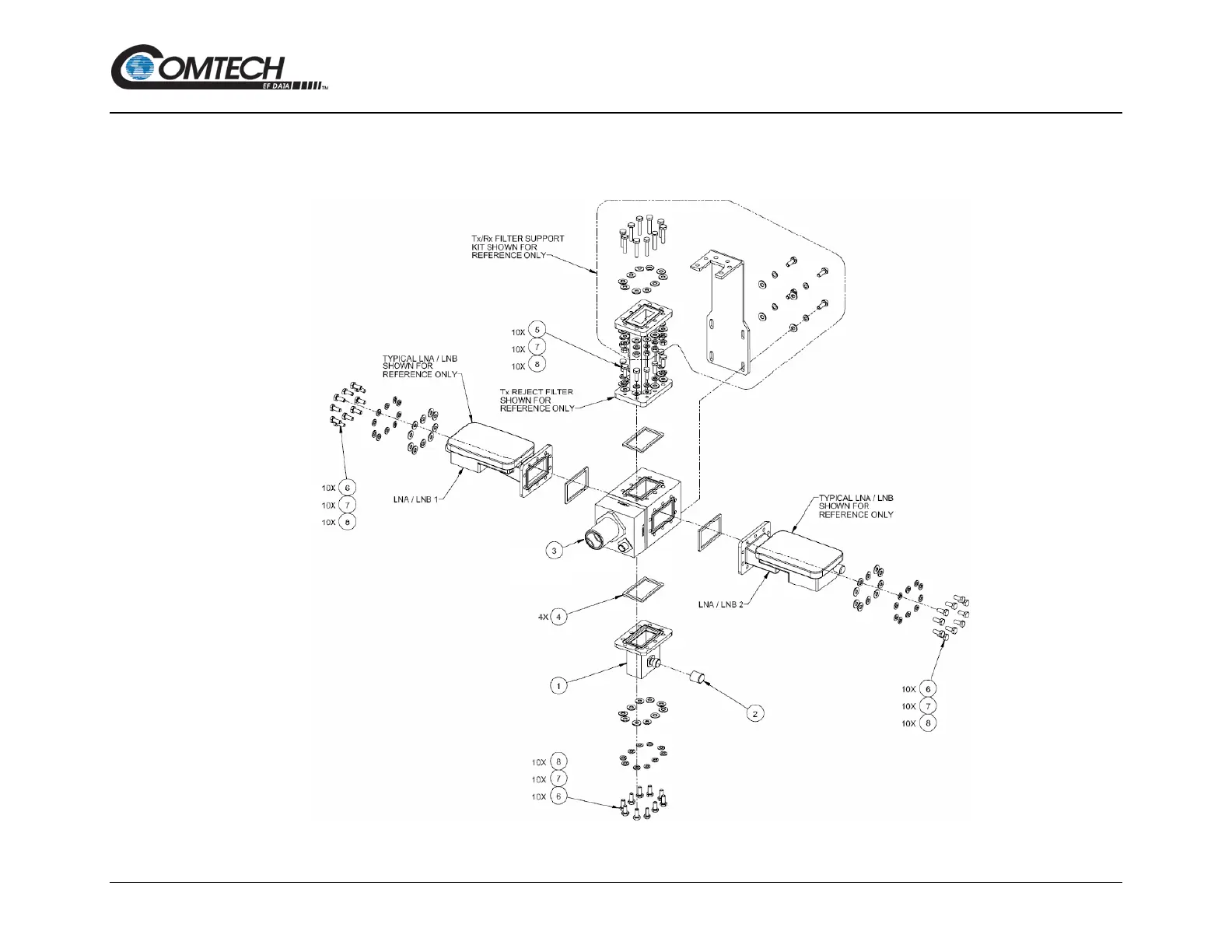
A.4.1.3 KT-0000098 LPOD C-Band Rx Switch Kit

Table of Contents

Related product manuals