EasyManua.ls Logo

Comtech EF Data LPOD PS 1.5 - LPOD PS 1.5 Dimensional Envelopes; Figure 1-10. LPOD PS 1.5 C-Band Dimensional Envelope (DC Option)

Comtech EF Data LPOD PS 1.5
238 pages
Print Icon
To Next Page IconTo Next Page
To Next Page IconTo Next Page
To Previous Page IconTo Previous Page
To Previous Page IconTo Previous Page
Loading...
Low Power Outdoor (LPOD) Amplifier/Block Up Converter (BUC)
Revision 15
Introduction 1–20 MN-LPOD
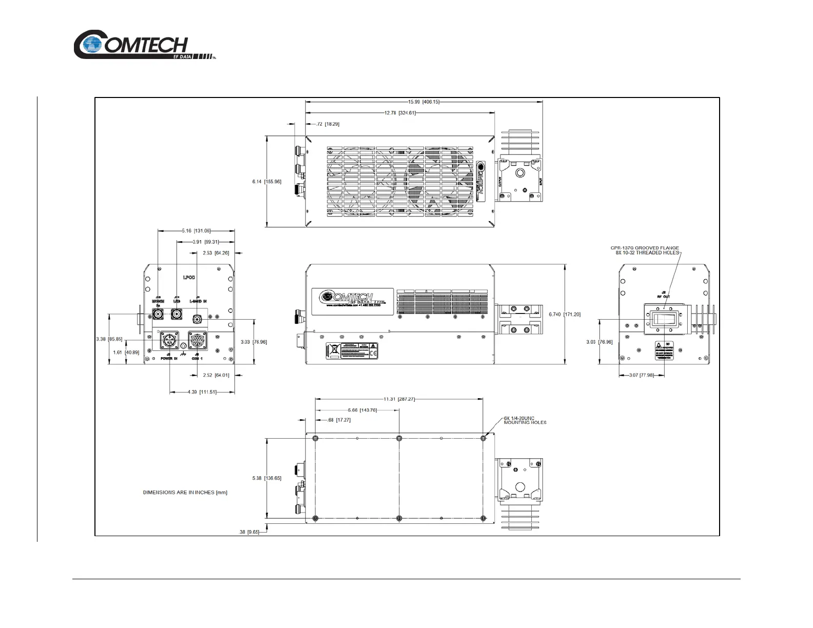
1.6.2 LPOD PS 1.5 Dimensional Envelopes
Figure 1-10. LPOD PS 1.5 C-Band Dimensional Envelope (DC Option)

Table of Contents

Related product manuals