EasyManua.ls Logo

Contex COUGAR 36 - Page 28

Contex COUGAR 36
258 pages
Print Icon
To Next Page IconTo Next Page
To Next Page IconTo Next Page
To Previous Page IconTo Previous Page
To Previous Page IconTo Previous Page
Loading...
FSG/MTM/001 060511
24
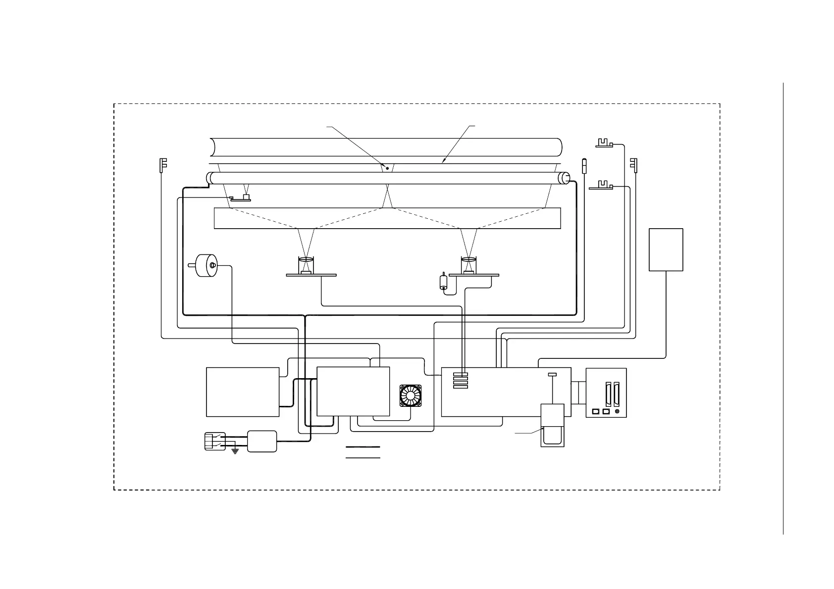
Fig. 2-7 COUGAR Tx 36, CHAMELEON Tx 36 and PREMIER Tx 36 Block Diagram
FEED MO TOR
SUCx
SCA NNER UNI T
SMPS
POWER SUPPLY
SWITCH MODE
FAN
OSBC
OIBA
OIBA
SE NSORS
ORIGINAL
LAMP AND MOTOR
DRIVE R B OARD
LMEA
SCR
OPERATOR
PANEL
SKD
THICKNESS
SENSOR
RE FLEC TOR
FLUORESCEN T LAMP
SMART
CARD
RFI
SCSI ID
SWITCH
CBFA
CAMERA B
MIRRORS
CBFA
CAMERA A
THICKNESS
SENSOR
PRI MARY
SE CON DARY
NTC
(FAN)
CAME RA
MOTOR
SCANLINE
IMDA
STITCHING WIRE
IN TERFAC E
BOARD

Table of Contents

Related product manuals