EasyManua.ls Logo

Contex COUGAR 36 - Fig. 3-13 IMD Block Diagram

Contex COUGAR 36
258 pages
Print Icon
To Next Page IconTo Next Page
To Next Page IconTo Next Page
To Previous Page IconTo Previous Page
To Previous Page IconTo Previous Page
Loading...
FSG/MTM/001 060511
53
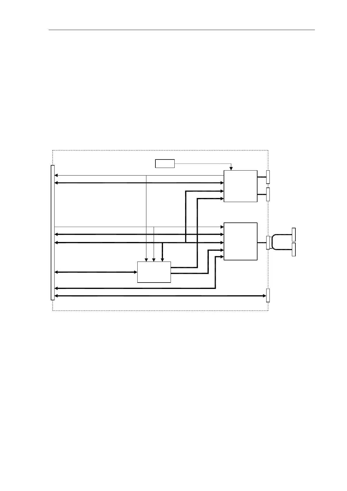
Fig. 3-13 IMD Block Diagram
CONTROL
MODULE
CONTROLLER
SCSI
CONTROLLER
IEEE 1394
SCSI
SCSI
IEEE 1394
AUX
SUC
DMA1
ADR/DATA BUS
DMA0
SCSI
49.152 MHz
40 MHz
OSC.
CTRL
CTRL
IEEE 1394

Table of Contents

Related product manuals