EasyManua.ls Logo

CVC 400 - General Layout and Dimensions

CVC 400
112 pages
Print Icon
To Next Page IconTo Next Page
To Next Page IconTo Next Page
To Previous Page IconTo Previous Page
To Previous Page IconTo Previous Page
Loading...
CVC TECHNOLOGIES, INC. CVC 400 OPERATION MANUAL
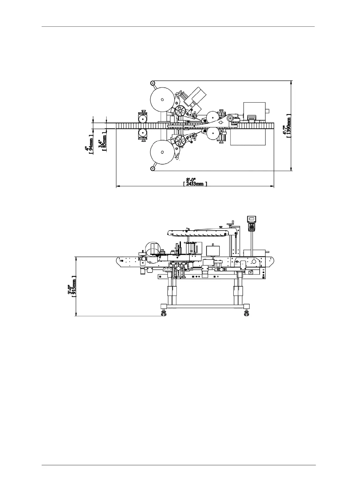
6.5 General Layout and Dimensions
Fig 6.5-1
6 - 8

Table of Contents

Related product manuals