EasyManua.ls Logo

CVC 400 - 11 Machine Set-Up and Adjustment

CVC 400
112 pages
Print Icon
To Next Page IconTo Next Page
To Next Page IconTo Next Page
To Previous Page IconTo Previous Page
To Previous Page IconTo Previous Page
Loading...
CVC TECHNOLOGIES, INC. CVC 400 OPERATION MANUAL
11. MACHINE SET-UP AND ADJUSTMENT
For personnel safety and avoiding machine damage, always SWITCH OFF the power before
any machine adjustment.
All machine adjustments should be accomplished by qualified technicians.
Most adjustable parts of the machine are provided with guide rulers or numerical hand
wheels, proper adjustments are determined through factory test and should not be changed
unless necessary. Therefore some of the sections provided in this chapter are only for
reference.
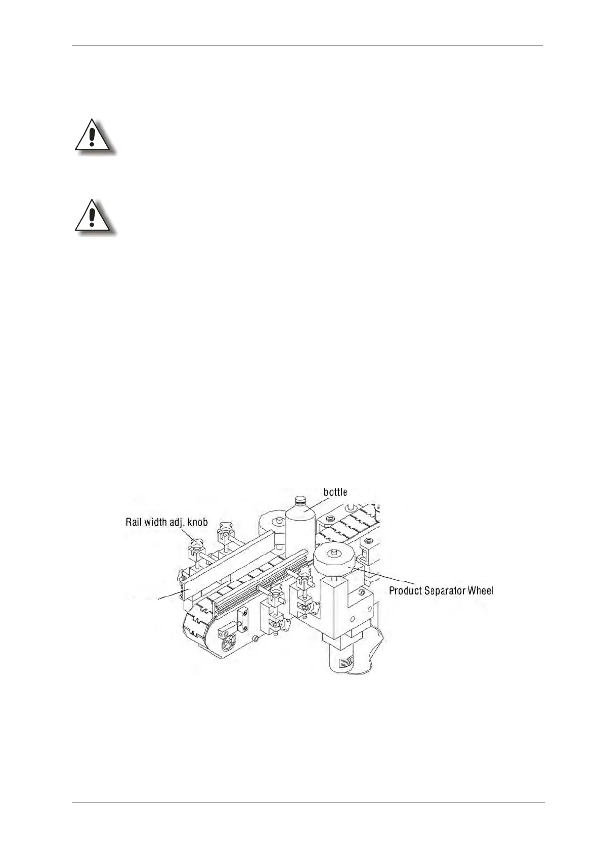
11.1 Guide Rail and Product Separator Wheel Adjustments
a. Place a product onto the conveyor, and loosen the guide rail width knob. Adjust all guide rails
according to the product width, allowing the product to move freely on the conveyor.
b. The guide rails (plates) will lead the product to make contact with the separator wheels to create a
proper spacing between products for correct wrap-around labeling.
c. The two product separator wheels are standard equipment. Infeed twin feed screw units (optional)
are recommended for higher speed applications where changeover is less frequent.
Guide rail
(
plate
)
Fig 11.1-1
11 - 1

Table of Contents

Related product manuals