EasyManua.ls Logo

Denon AVR-3808CI

Denon AVR-3808CI
215 pages
To Next Page IconTo Next Page
To Next Page IconTo Next Page
To Previous Page IconTo Previous Page
To Previous Page IconTo Previous Page
Loading...
87654321
A
B
C
D
E
F
AVR-3808CI / AVR-3808 / AVC-3808
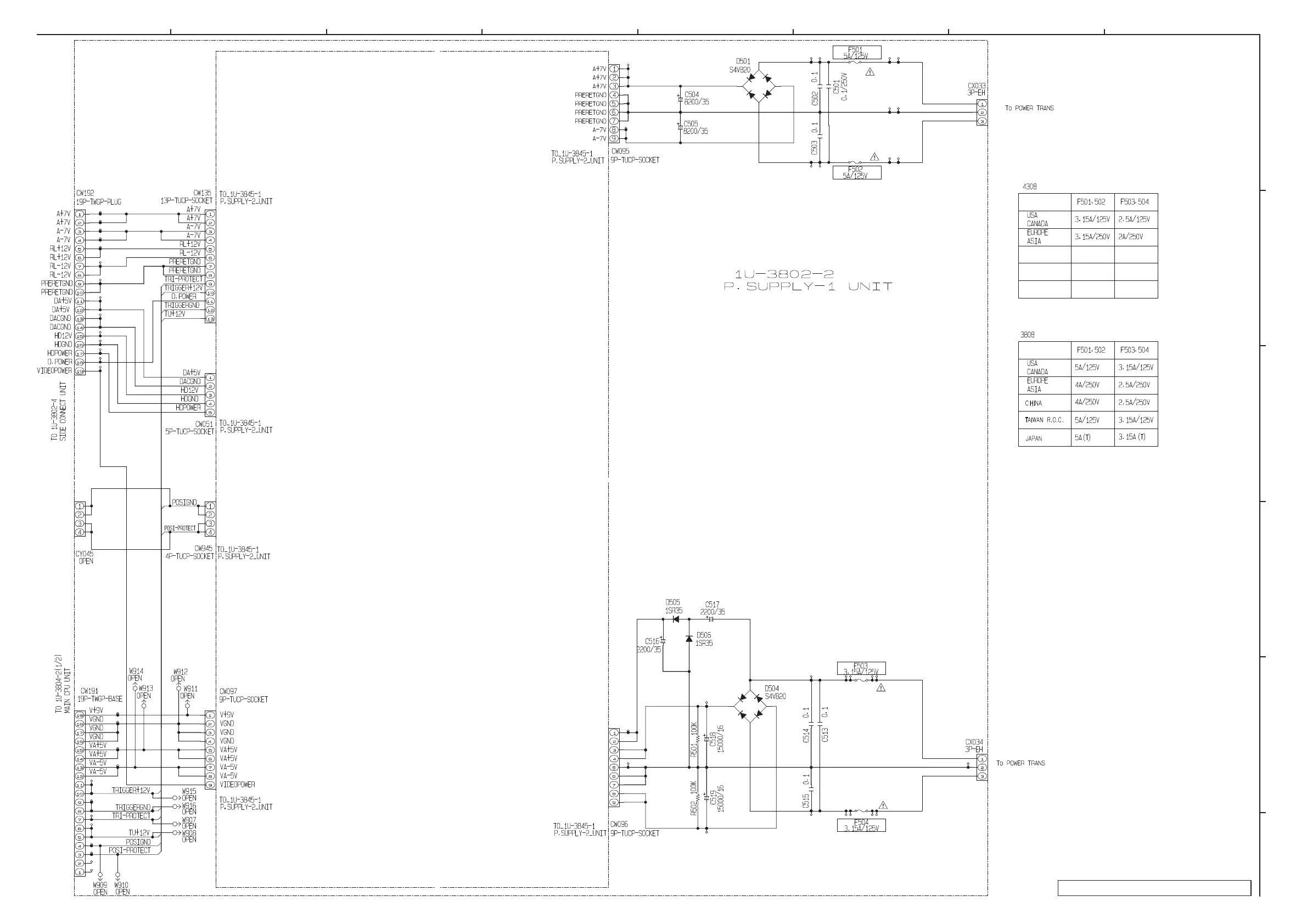
SCHEMATIC DIAGRAMS (27/37)
1U-3802 P. SUPPLY UNIT(2/3)
1U-3802-2 P. SUPPLY-1 UNIT

Table of Contents

Other manuals for Denon AVR-3808CI

Related product manuals