EasyManua.ls Logo

Diatron Abacus + - Main Mechanic and Fluidic Parts of the Analyzer

Default Icon
97 pages
Print Icon
To Next Page IconTo Next Page
To Next Page IconTo Next Page
To Previous Page IconTo Previous Page
To Previous Page IconTo Previous Page
Loading...
Abacus
+
Service Manual
rev 1.09
19
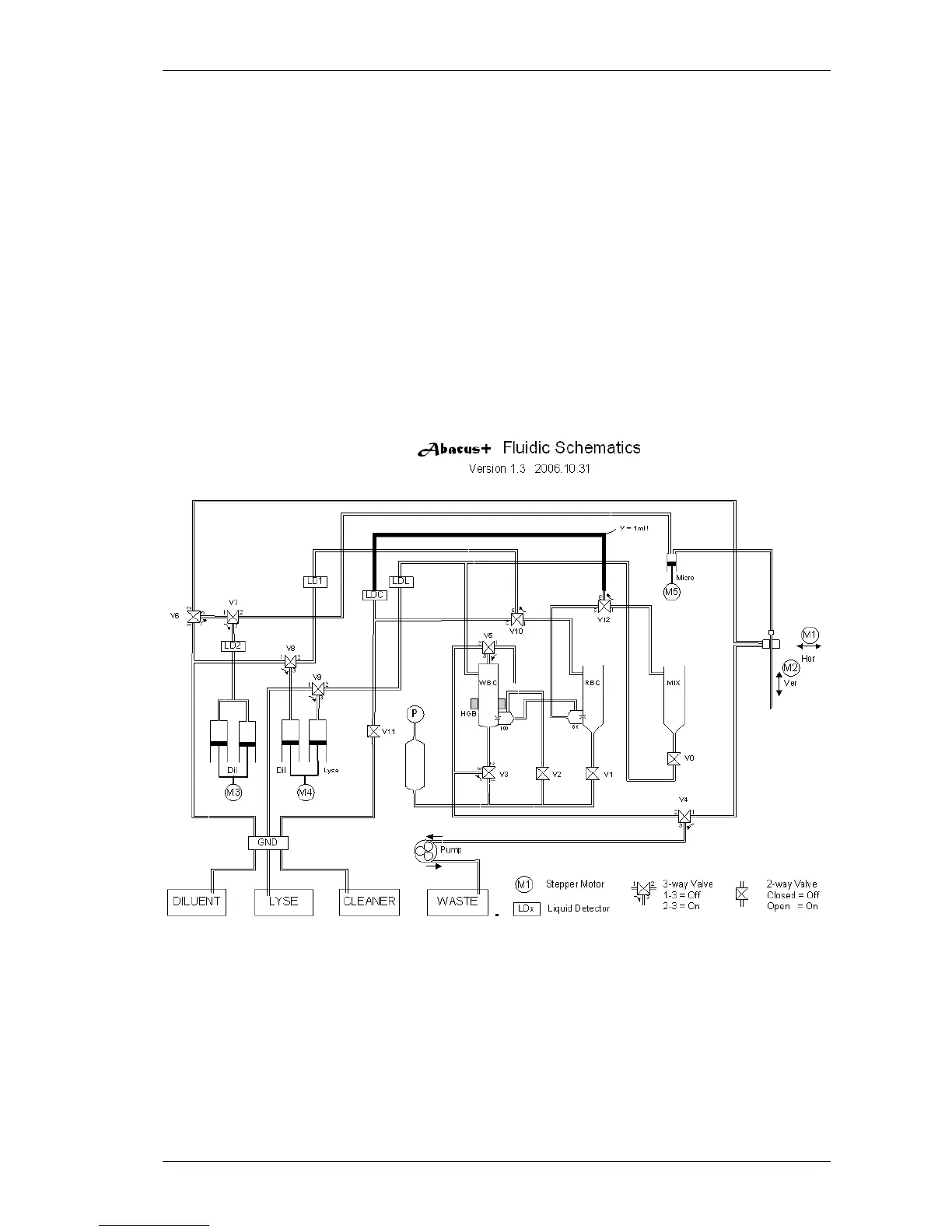
2.2. Main mechanic and fluidic parts of the Analyzer
Abacus+ Hematology Analyzers consist of the following mechanic and fluidic parts:
1. Sampling needle
2. Washing head
3. H&V moving unit
4. Micro Dilutor
5. Dilutor
6. Chambers
7. Cell-counter probes
8. Puffer reservoir
9. Pump
10.Valves
11.Tubing

Table of Contents

Related product manuals