EasyManua.ls Logo

Diatron Abacus + - Diluting Processes

Default Icon
97 pages
Print Icon
To Next Page IconTo Next Page
To Next Page IconTo Next Page
To Previous Page IconTo Previous Page
To Previous Page IconTo Previous Page
Loading...
Diatron MI PLC
rev 1.09
32
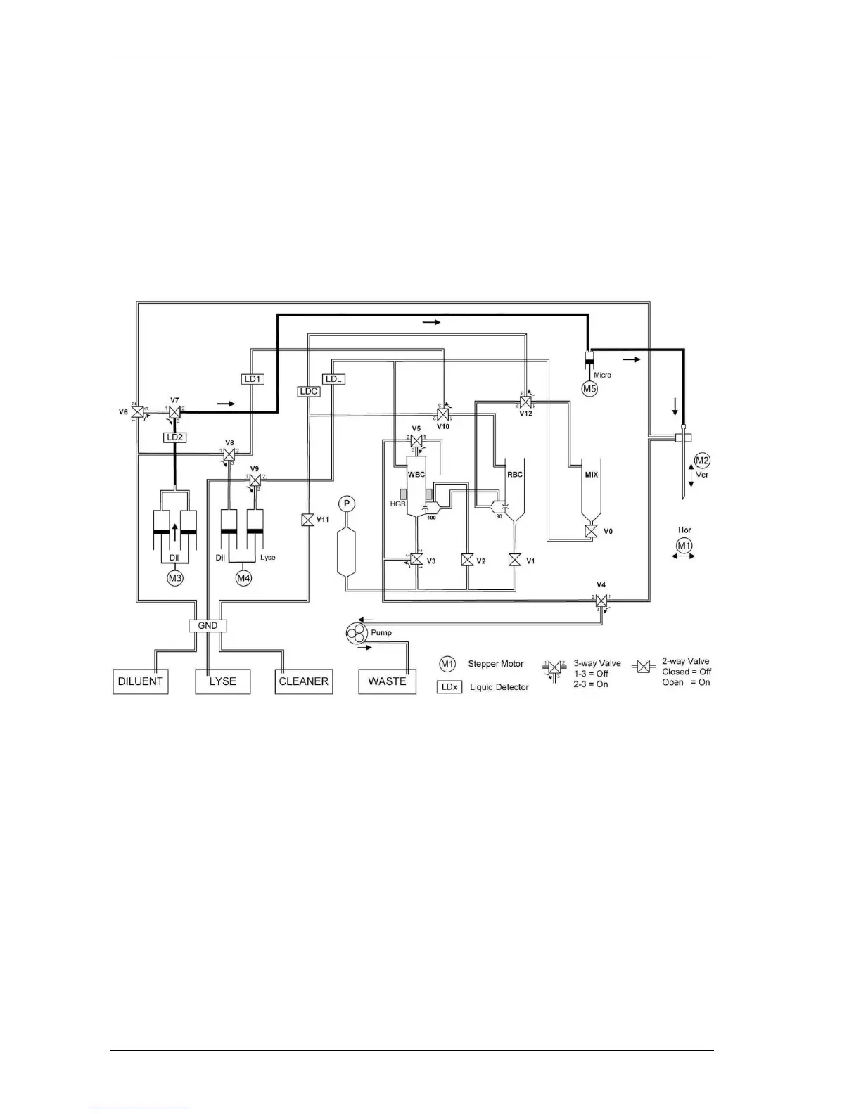
4.1.3. Diluting processes
Before the dilutions the MIX and the RBC chambers are filled up with 1 ml of diluent. This
method prevents the chamber from dirt and makes the diluting process faster.

the sampling needle. In the first diluting step the sample is dispensed into the MIX chamber
with 3 ml of diluent (1.0 ml is waiting in the MIX chamber), which comes from the Macro
syringe through V11 (On) and Micro-dilutor, while the M3 Dilutor motor moves upwards. This
process makes the 1:160 first dilution rate in the MIX chamber.

ml of diluent (1.0 ml + 3.0 ml) into the RBC chamber. This process makes 1:18285 dilution
rate in the RBC chamber.

Table of Contents

Related product manuals