EasyManua.ls Logo

EIP 545A - Page 143

EIP 545A
221 pages
Print Icon
To Next Page IconTo Next Page
To Next Page IconTo Next Page
To Previous Page IconTo Previous Page
To Previous Page IconTo Previous Page
Loading...
TUNING CURRENT
t
I
DETECTOR
CURRENT TO
VOLTAGE BAND 3 RF LEVEL
GENERATOR
CONVERTER
RF INPUT
UX)
-
WMHz
CONTRO
15dB GAIN
POWER
1
POWER ENABLE
I
AMPLIFIER
YIG
FILTER
VOLTAGE
VCO TUNING CONTROLLED VCOREFERENCEOUT
IF
4
MIXERIDETECTOR
1
115
-
135MHz
AMPLIFIER
TOA113
BAND
3
FRONT PANEL
1
J'
A202
Am1
END
VIEW
OF
A201
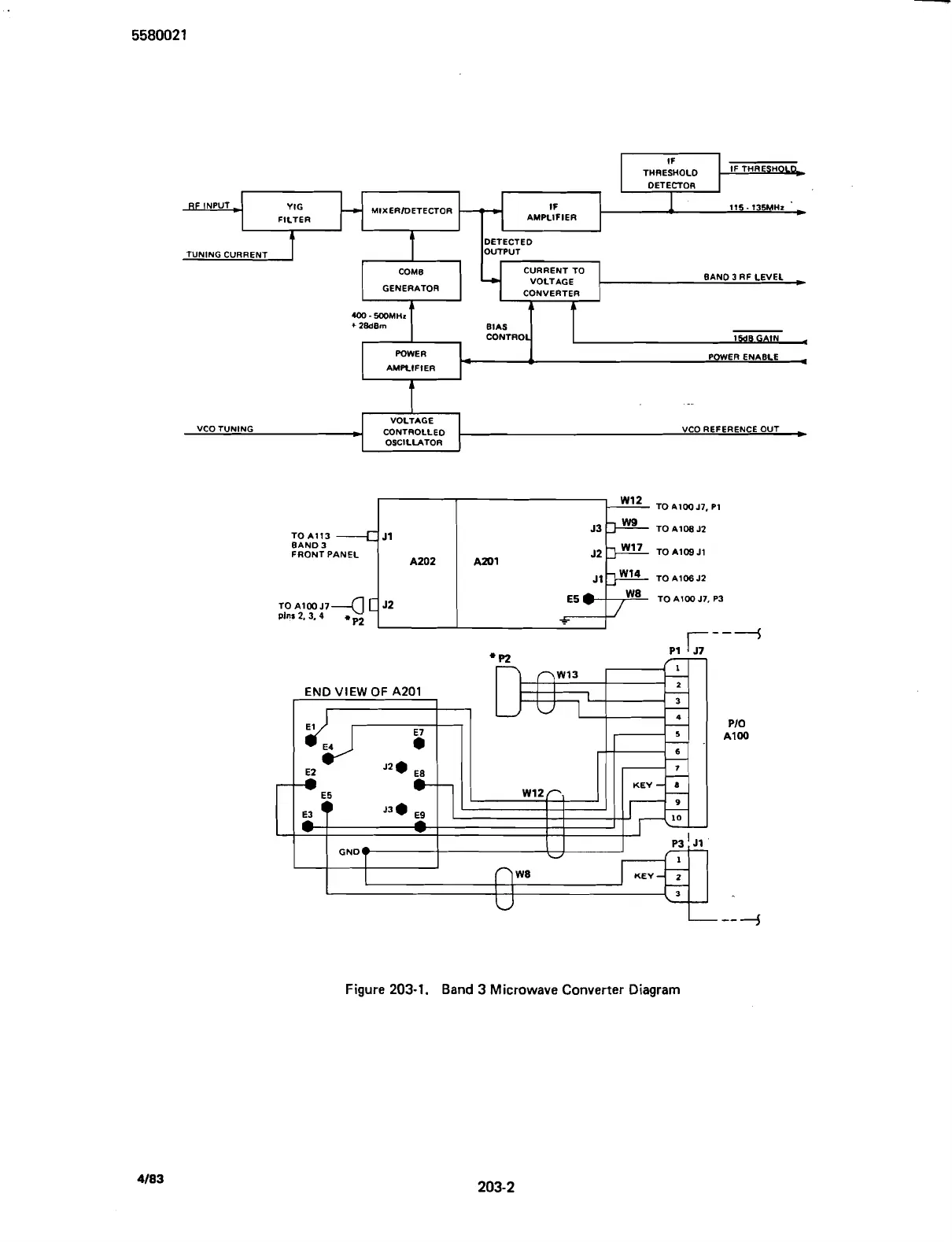
Figure 203-1. Band 3 Microwave Converter
Diagram
Scans by ArtekMedia © 2007

Table of Contents