EasyManua.ls Logo

EIP 545A - Page 148

EIP 545A
221 pages
Print Icon
To Next Page IconTo Next Page
To Next Page IconTo Next Page
To Previous Page IconTo Previous Page
To Previous Page IconTo Previous Page
Loading...
VCO
TUMING
VOLTAG
E
tJ3
55
Y(*F8
d2)
w
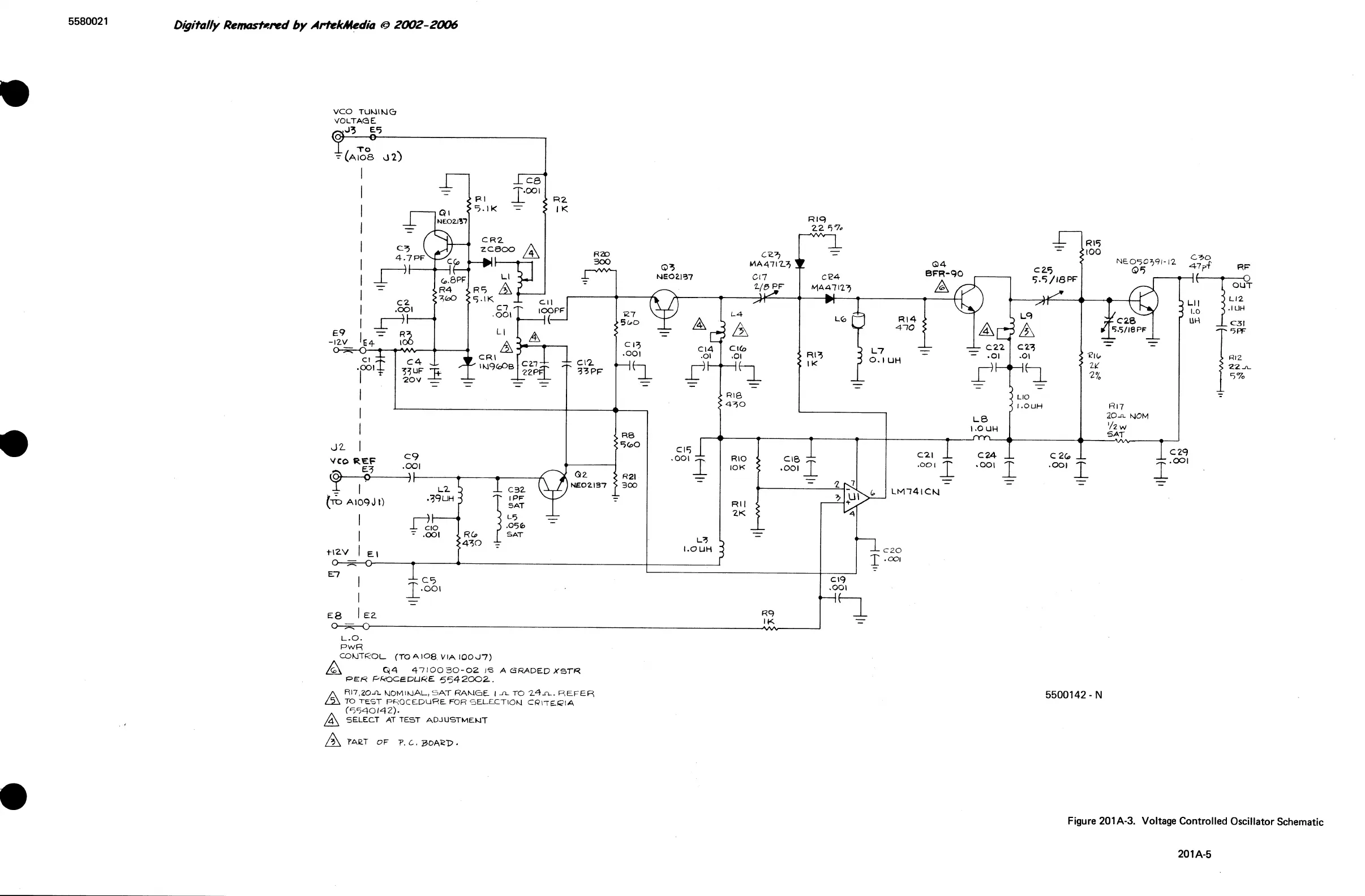
Figure
201A-3.
Voltage Controlled Oscillator Schematic
201 A-5
Scans by ArtekMedia © 2007

Table of Contents