EasyManua.ls Logo

EIP 545A - Page 216

EIP 545A
221 pages
Print Icon
To Next Page IconTo Next Page
To Next Page IconTo Next Page
To Previous Page IconTo Previous Page
To Previous Page IconTo Previous Page
Loading...
+5v
+5v
'5L'
+S"
+5"
+5V
+5V
+5"
DRIVER
RI
45
v
ADDRESS
SWITCH
Q
PIN
NO
NOT
USED
74L504
74%
0
14
15
04
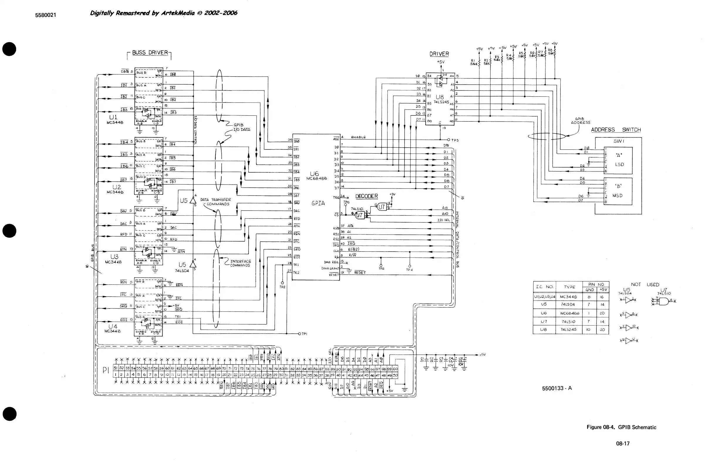
Figure 08-4.
GPlB
Schematic
08-1
7
Scans by ArtekMedia © 2007

Table of Contents