EasyManua.ls Logo

EIP 545A - Page 88

EIP 545A
221 pages
Print Icon
To Next Page IconTo Next Page
To Next Page IconTo Next Page
To Previous Page IconTo Previous Page
To Previous Page IconTo Previous Page
Loading...
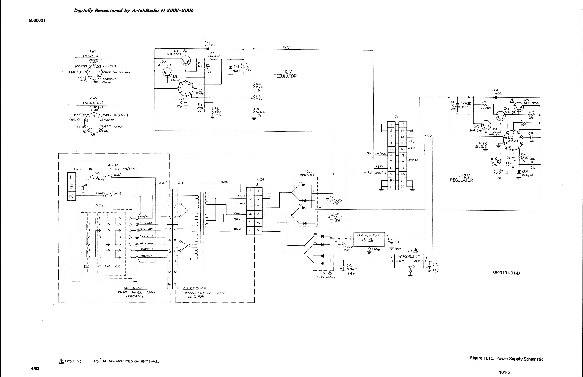
-12
v
REGULATOR
ca7,~1,~3,
,US
/
u4
ARE
MOUNTED
ON
UEATSINKS.
Figure
101
c. Power
Supply
Schematic
101-5
Scans by ArtekMedia © 2007

Table of Contents