EasyManua.ls Logo

Emerson Daniel Danalyzer 1000 - Page 79

Emerson Daniel Danalyzer 1000
320 pages
Print Icon
To Next Page IconTo Next Page
To Next Page IconTo Next Page
To Previous Page IconTo Previous Page
To Previous Page IconTo Previous Page
Loading...
MODEL 1000 SEP 2005
INSTALLATION AND SETUP
3-25
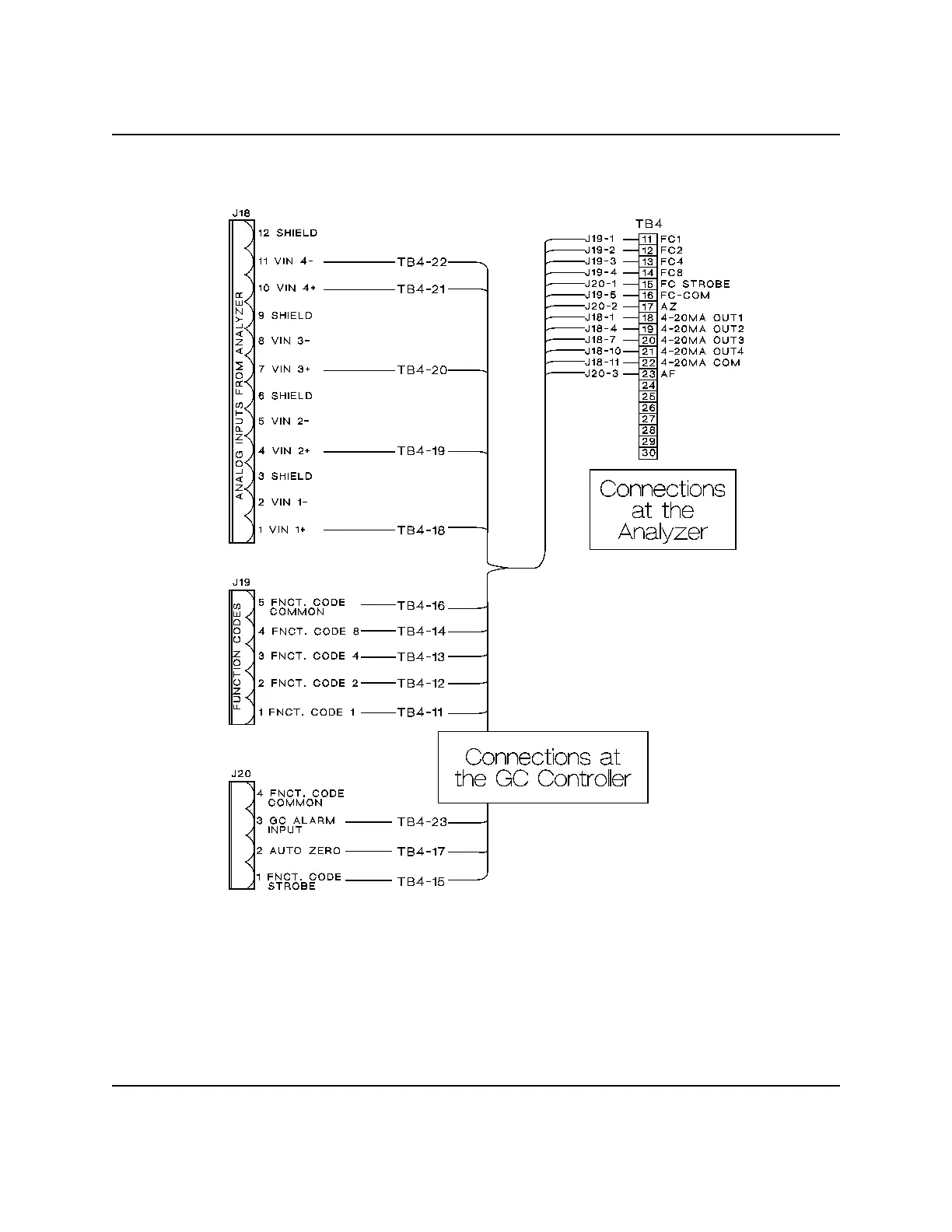
Figure 3-3. Analyzer and GC Controller Interconnect Leads

Table of Contents