EasyManua.ls Logo

Explorer GT 50 - Carburetor

Explorer GT 50
112 pages
Print Icon
To Next Page IconTo Next Page
To Next Page IconTo Next Page
To Previous Page IconTo Previous Page
To Previous Page IconTo Previous Page
Loading...
61
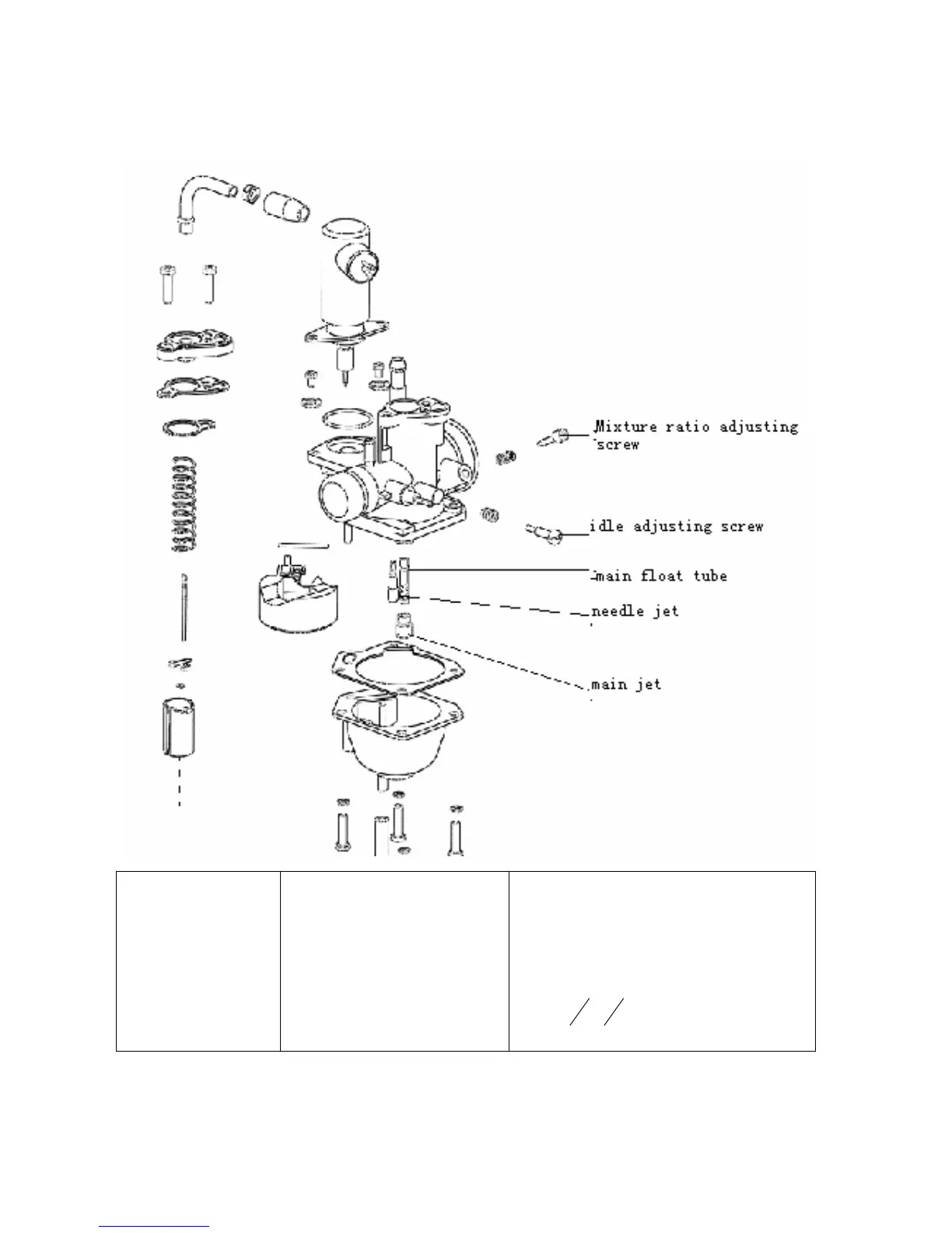
CARBURETOR
CARBURETOR
Carburetor manufacturer/type
Identification code
Throat tube diameter
Main jet size
Idle needle jet size
Oil needle clamp position
Idle air adjusting screw
Float height
equal vacuum
PZ19JB
19mm
#80
#57.5
3
rd
groove
extrude 1
2
1
±
2
1
turnout
13±1mm

Table of Contents