EasyManua.ls Logo

Festo FB13 - Page 182

Festo FB13
195 pages
Print Icon
To Next Page IconTo Next Page
To Next Page IconTo Next Page
To Previous Page IconTo Previous Page
To Previous Page IconTo Previous Page
Loading...
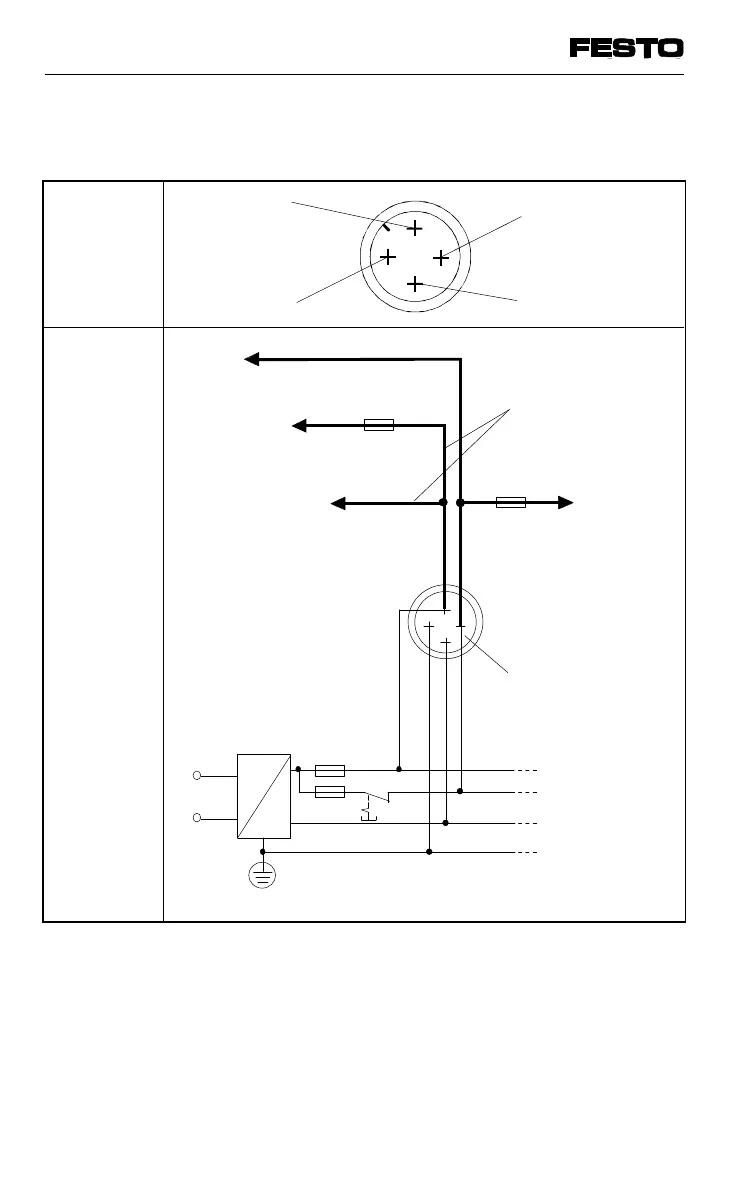
Operating voltage connection type 05
3
4
2
1
230 V
Power unit
(e.g. central
power supply)
AC
DC
3.15 A
10 A
24 V ± 10 %
24 V ± 10 %
0 V
PE
Electrical
inputs/sensors
(fused internally)
Adapter cable
Electrical
outputs (must be
fused externally)
24 V electronic
components
(fused internally)
2 A
Operating voltage
connection for valve
terminal
EMERG. STOP
4 A
Valves max. 50%
simultaneity
(internally fused)
Fig. A/4b: Circuitry example: operating voltage connection type 05
Pin
assignment
(adapter
plate)
Circuitry
examples
and internal
structure
type 05
2: 24 V supply to
outputs/valves
3: 0 V
4: PE
1: 24 V supply
to electronic
components
and inputs
VIFB13 - 03/05 Appendix A
9701 NH A-13

Table of Contents

Related product manuals