EasyManua.ls Logo

Festo FB13 - Page 64

Festo FB13
195 pages
Print Icon
To Next Page IconTo Next Page
To Next Page IconTo Next Page
To Previous Page IconTo Previous Page
To Previous Page IconTo Previous Page
Loading...
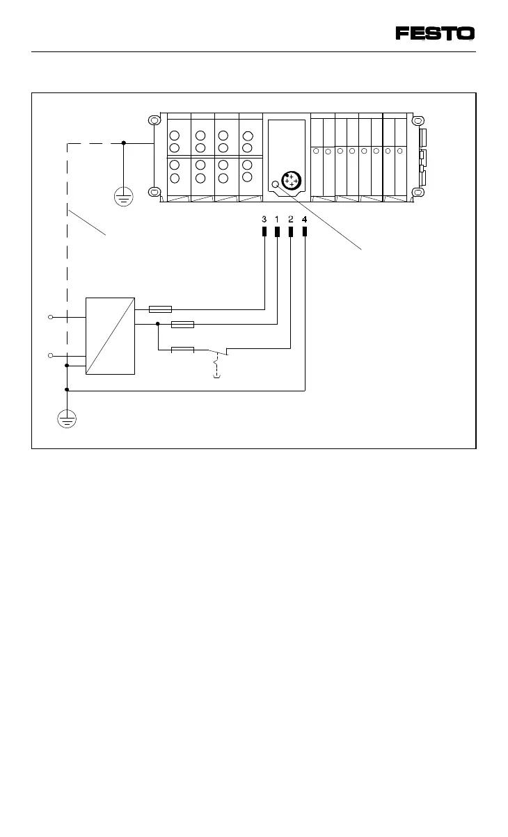
Earth cable connection pin 4 designed for 12 A
Connecting cable for
potential compensation
of earth connections
External fuses
10 A
0 V
3.15 A
DC 24V
± 10%
24 V
Fuse for
inputs/sensors (2A)
EMERGENCY
STOP
AC
Fig. 3/11: Example – connecting a common 24 V supply and
both earth cables
VIFB13 - 03/05 3. Installation
9701 NH 3-21

Table of Contents

Related product manuals