EasyManua.ls Logo

Fluke 6080A - Page 114

Fluke 6080A
296 pages
Print Icon
To Next Page IconTo Next Page
To Next Page IconTo Next Page
To Previous Page IconTo Previous Page
To Previous Page IconTo Previous Page
Loading...
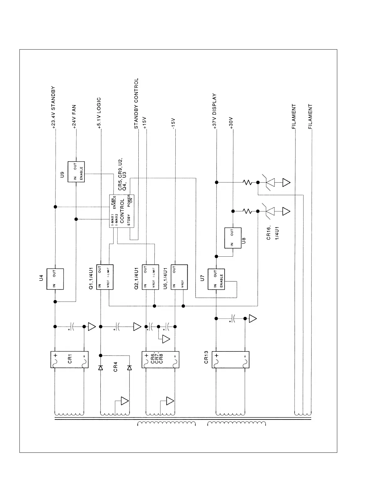
TROUBLESHOOTING AND REPAIR
POWER SUPPLY
Figure 6A-1. Power Supply Block Diagram
6A-2

Table of Contents

Related product manuals