EasyManua.ls Logo

Fluke 6080A - Page 133

Fluke 6080A
296 pages
Print Icon
To Next Page IconTo Next Page
To Next Page IconTo Next Page
To Previous Page IconTo Previous Page
To Previous Page IconTo Previous Page
Loading...
TROUBLESHOOTING AND REPAIR
FREQUENCY SYNTHESIS
6C-3
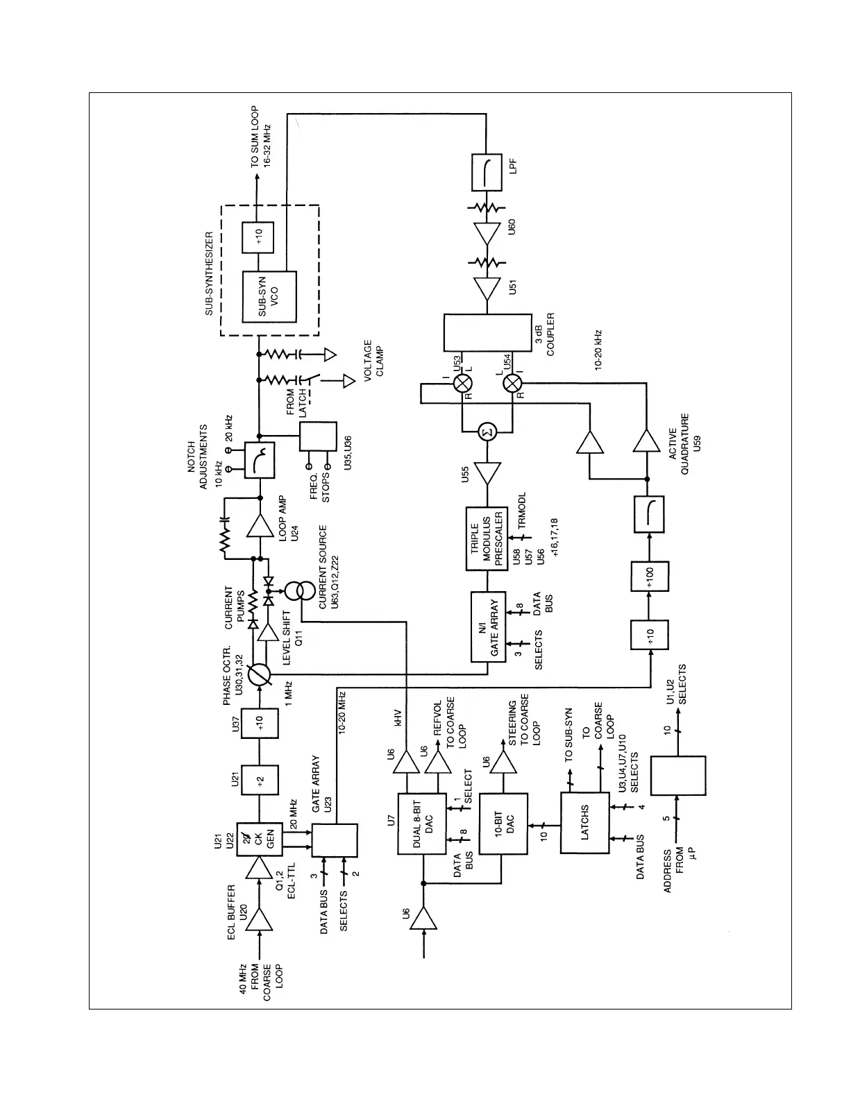
Figure 6C-2. Sub-Synthesizer Block Diagram

Table of Contents

Related product manuals