EasyManua.ls Logo

Hioki RM3545-02 - Page 201

Hioki RM3545-02
364 pages
Print Icon
To Next Page IconTo Next Page
To Next Page IconTo Next Page
To Previous Page IconTo Previous Page
To Previous Page IconTo Previous Page
Loading...
10.2 Timing Chart
193
10
Manual setting operation
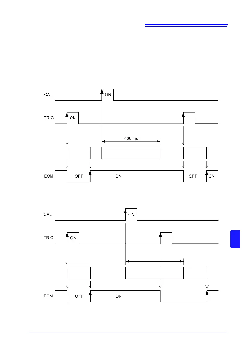
Self-calibration starts immediately when the CAL signal is input. If the TRIG signal is input
during self-calibration, self-calibration will continue. In this case, the TRIG signal will be
accepted, the EOM signal will turn off, and measurement will start after self-calibration com-
pletes. If the CAL signal is received during measurement, the CAL signal will be accepted,
and self-calibration will start after measurement completes.
If the TRIG signal is received during self-calibration
Method of normal use
Self-calibration
Measurement
processing
Measure-
ment
Measure-
ment
Measurement
processing
Measure-
ment
Measure-
ment
Self-calibration

Table of Contents

Related product manuals