EasyManua.ls Logo

Honda BF135A - Crankshaft Pulley;Cam Chain

Honda BF135A
692 pages
Print Icon
To Next Page IconTo Next Page
To Next Page IconTo Next Page
To Previous Page IconTo Previous Page
To Previous Page IconTo Previous Page
Loading...
9-1
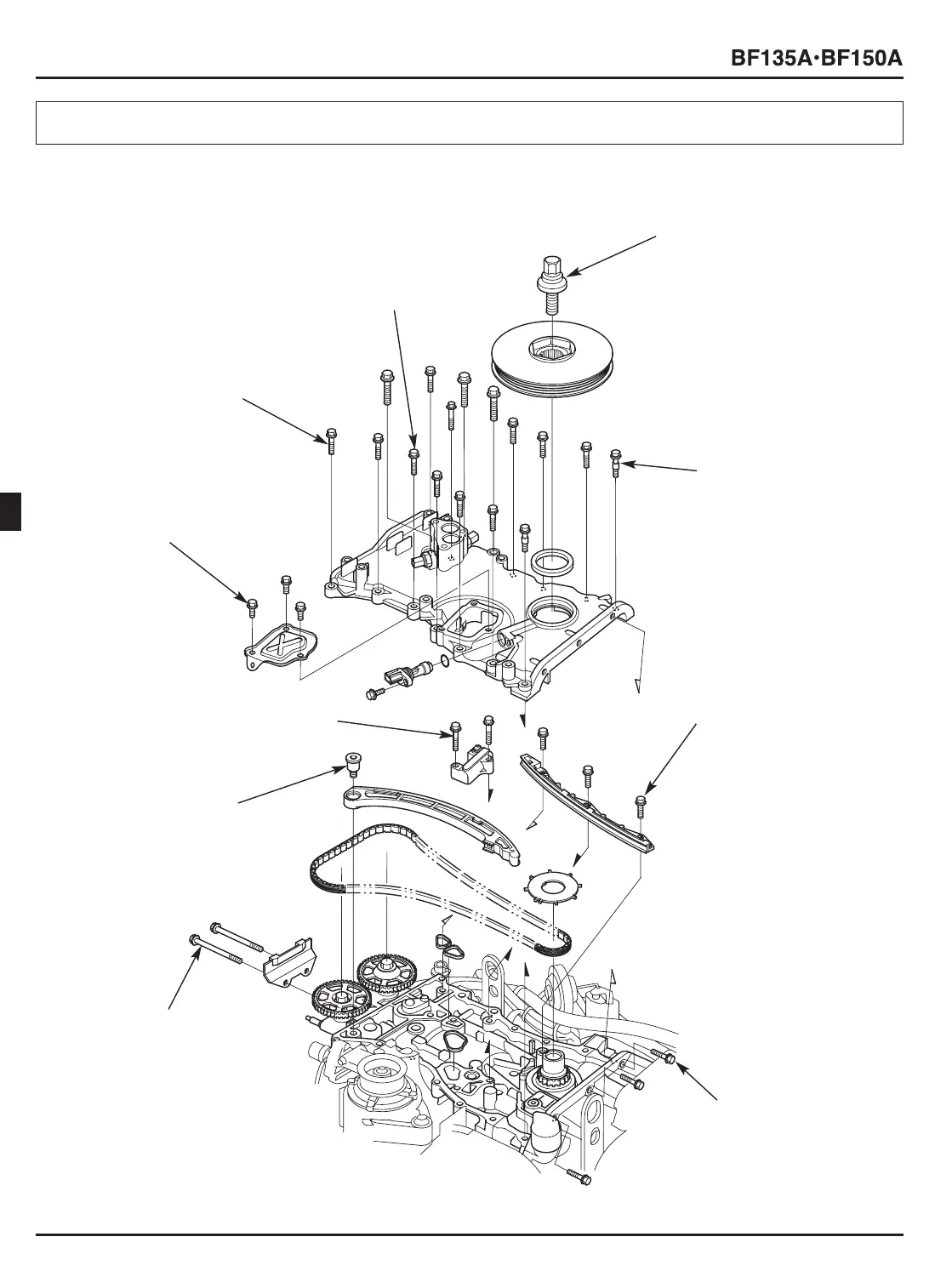
9. CRANKSHAFT PULLEY/CAM CHAIN
1. DISASSEMBLY 2. ASSEMBLY
12 N
.
m (1.2 kgf
.
m, 9 lbf
.
ft)
12 N
.
m (1.2 kgf
.
m, 9 lbf
.
ft)
12 N
.
m (1.2 kgf
.
m, 9 lbf
.
ft)
12 N
.
m (1.2 kgf
.
m, 9 lbf
.
ft)
12 N
.
m (1.2 kgf
.
m, 9 lbf
.
ft)
22 N
.
m (2.2 kgf
.
m, 16 lbf
.
ft)
22 N
.
m (2.2 kgf
.
m, 16 lbf
.
ft)
245 N
.
m (25.0 kgf
.
m, 181 lbf
.
ft)
12 N
.
m (1.2 kgf
.
m, 9 lbf
.
ft)
12 N
.
m (1.2 kgf
.
m, 9 lbf
.
ft)

Table of Contents