EasyManua.ls Logo

Honda BF135A - Water Relief Tube;Relief Valve

Honda BF135A
692 pages
Print Icon
To Next Page IconTo Next Page
To Next Page IconTo Next Page
To Previous Page IconTo Previous Page
To Previous Page IconTo Previous Page
Loading...
8-5
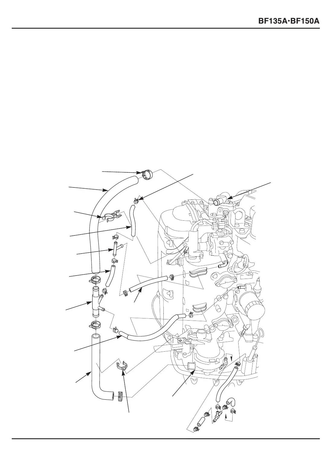
2. WATER RELIEF TUBE/RELIEF VALVE
Remove the following parts.
Engine cover (P. 4-2)
L./R. engine under covers (P. 4-9)
a. REMOVAL OF WATER RELIEF TUBE ASSEMBLY
1) Disconnect the water relief tube A from the thermostat cover.
Remove the water tube clamp from the water relief tube A and the main wire harness.
2) Disconnect the 7 x 90 mm tube, 7 x 120 mm tube and the water tube E from the engine side.
Disconnect the water relief tube B from the water tube clamp B.
3) Disconnect the water relief tube B from the exhaust guide.
b. DISASSEMBLY OF WATER RELIEF TUBE ASSEMBLY
1) Disconnect the water relief tube A and B from the 4-way joint.
2) Disconnect the 7 x 90 mm tube and the 7 x 120 mm tube from the fuel tube joint.
3) Disconnect the fuel tube joint from the 7 x 75 mm tube.
4) Disconnect the 7 x 75 mm tube and the water tube E from the 4-way joint.
[10]
7 x 75 mm TUBE
[11]
FUEL TUBE JOINT
[9]
4-WAY JOINT
[4]
EXHAUST GUIDE
[6]
WATER RELIEF TUBE B
[5]
WATER TUBE CLAMP B
[1]
TUBE CLAMP D25.0 (4)
[2]
TUBE CLAMP D10.5 (8)
[7]
WATER TUBE E
[8]
7 x 120 mm
TUBE
[12]
7 x 90 mm TUBE
[3]
THERMOSTAT
COVER
[14]
WATER RELIEF
TUBE A
[13]
WATER TUBE CLAMP

Table of Contents

Other manuals for Honda BF135A

Related product manuals