EasyManua.ls Logo

Huber Pilot ONE - Page 7

Huber Pilot ONE
84 pages
Print Icon
To Next Page IconTo Next Page
To Next Page IconTo Next Page
To Previous Page IconTo Previous Page
To Previous Page IconTo Previous Page
Loading...
OPERATION MANUAL
V1.3.0en/06.07.15//14.06 Liability for errors and misprints excluded. CC®
7
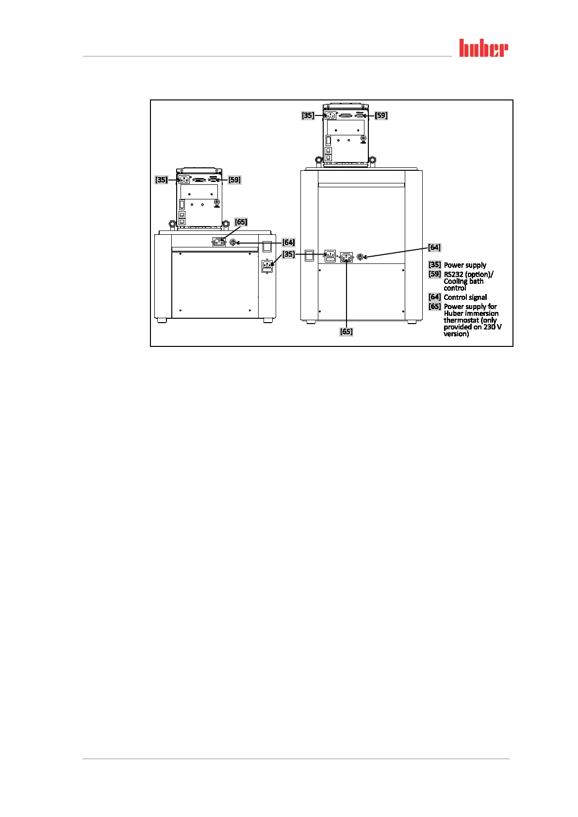
K1x and K2x -
connections

Table of Contents

Other manuals for Huber Pilot ONE

Related product manuals