EasyManua.ls Logo

Jacobsen Tri-King Triplex - Engine and Exhaust System (Gas)

Jacobsen Tri-King Triplex
250 pages
Print Icon
To Next Page IconTo Next Page
To Next Page IconTo Next Page
To Previous Page IconTo Previous Page
To Previous Page IconTo Previous Page
Loading...
52
1
13
3
8
2
2
3
8
6
9
5A
7
22
21
12
11
10
9
5A
5
14
15
19
20
18
4
23
17
16
TRI-KING
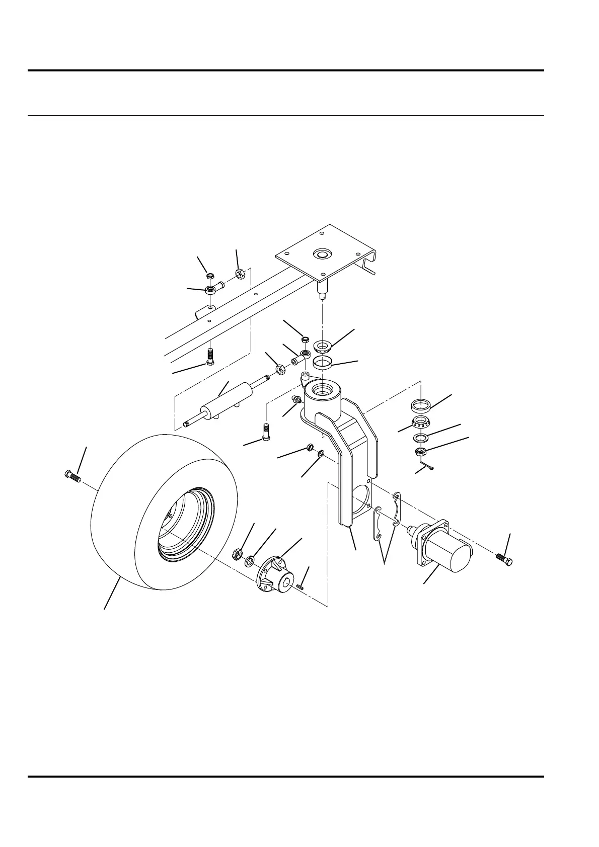
13.1 Rear Steering
Serial No. All

Table of Contents

Related product manuals