EasyManua.ls Logo

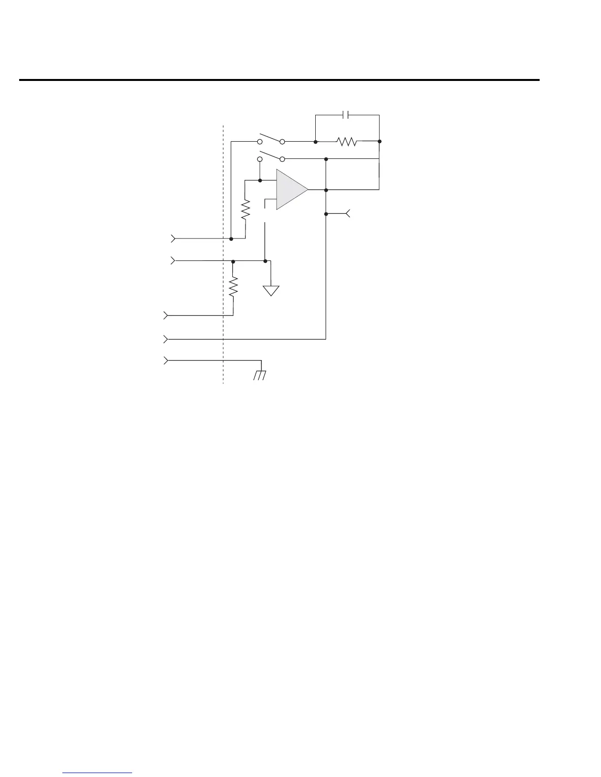
Keithley 6514 - Shielded Fixture Construction; Figure 11-7 Electrometer Input Circuitry (External Feedback Mode)

Keithley 6514
334 pages
Print Icon
To Next Page IconTo Next Page
To Next Page IconTo Next Page
To Previous Page IconTo Previous Page
To Previous Page IconTo Previous Page
Loading...
11-12 Digital I/O, Analog Outputs, and External Feedback
Shielded fixture construction
Since shielding is so critical for proper operation of external feedback, it is recommended that
a shielded fixture similar to the one shown in Figure 11-8 be used to house the feedback element.
The fixture is constructed of a commercially available shielded fixture modified with the stan-
dard BNC connectors replaced with triaxial female connectors. For convenience, a banana jack
can be mounted on the box to make the necessary preamp out connection.
Alternately, a wire could be run through a rubber grommet mounted in a hole in the side of
the box. Note that input low is connected to chassis ground within the shielded box. This con-
nection can be made by using a small solder lug secured with a screw.
Preamp Out
Input
(Chassis)
To Ranging
Amplifier
Common
+
-
Op Amp
Zero Check
<1
HI
LO
S
C
FB
R
FB
100M
Figure 11-7
Electrometer input
circuitry (external
f
eedback mode)

Table of Contents

Other manuals for Keithley 6514

Related product manuals