EasyManua.ls Logo

Kinco CD430 - Page 75

Kinco CD430
108 pages
Print Icon
To Next Page IconTo Next Page
To Next Page IconTo Next Page
To Previous Page IconTo Previous Page
To Previous Page IconTo Previous Page
Loading...
75
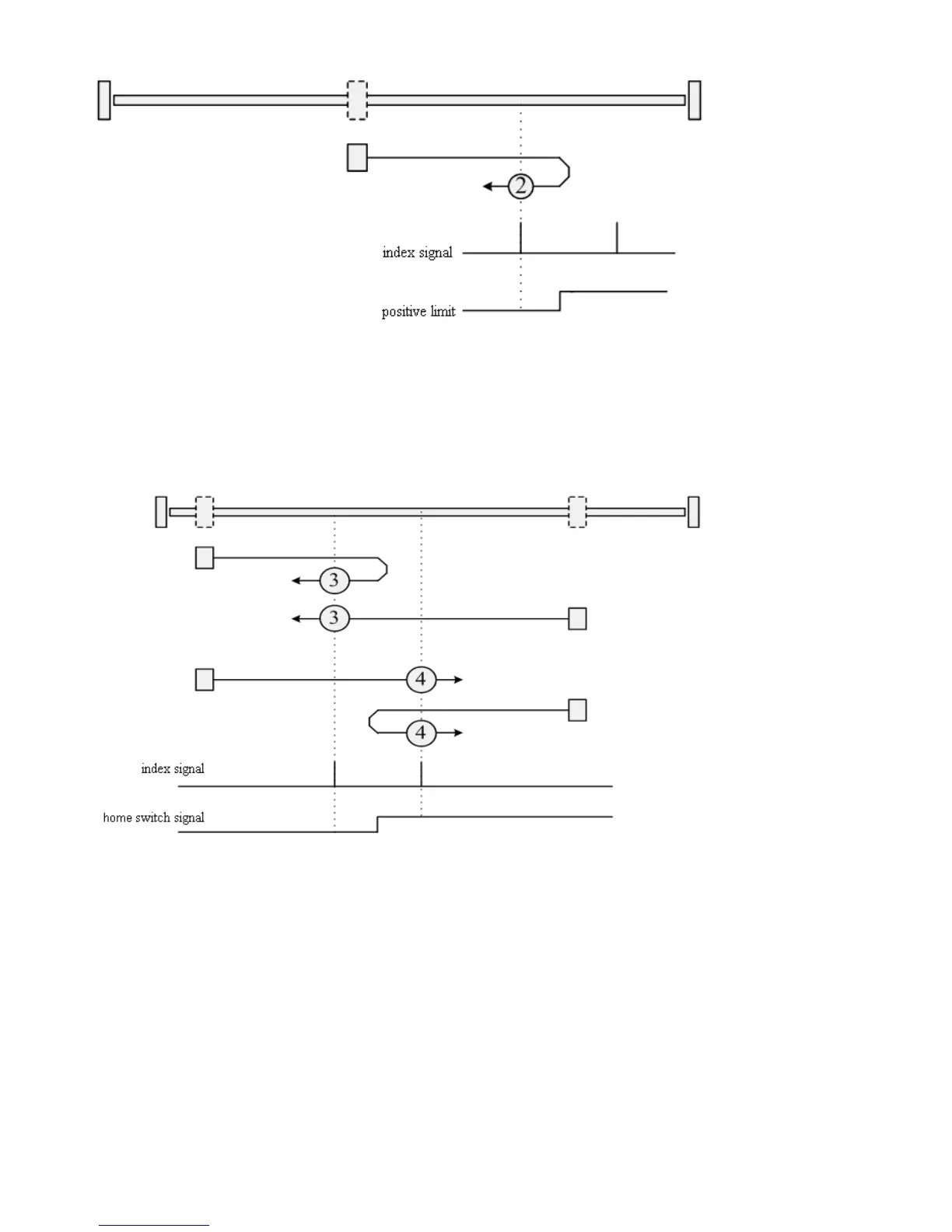
Methods 3 and 4: Homing on the positive home switch and index pulse
Using methods 3 or 4, the initial direction of movement is dependent on the state of the
home switch. The home position is at the index pulse to either the left or right of the pint
where the home switch changes state. If the initial position is sited so that the direction of
movement must reverse during homing, the point at which the reversal takes place is
anywhere after a change of state of the home switch.
Methods 5 and 6: Homing on the negative home switch and index pulse
Using methods 5 or 6, the initial direction of movement is dependent on the state of the
home switch. The home position is at the index pulse to either the left or the right of the
point where the home switch changes state. If the initial position is sited so that the
direction of movement must reverse during homing, the point at which the reversal takes
place is anywhere after a change of state of the home switch.

Table of Contents

Other manuals for Kinco CD430

Related product manuals