EasyManua.ls Logo

Kinco CD430 - External Wirings of CD Driver

Kinco CD430
108 pages
Print Icon
To Next Page IconTo Next Page
To Next Page IconTo Next Page
To Previous Page IconTo Previous Page
To Previous Page IconTo Previous Page
Loading...
14
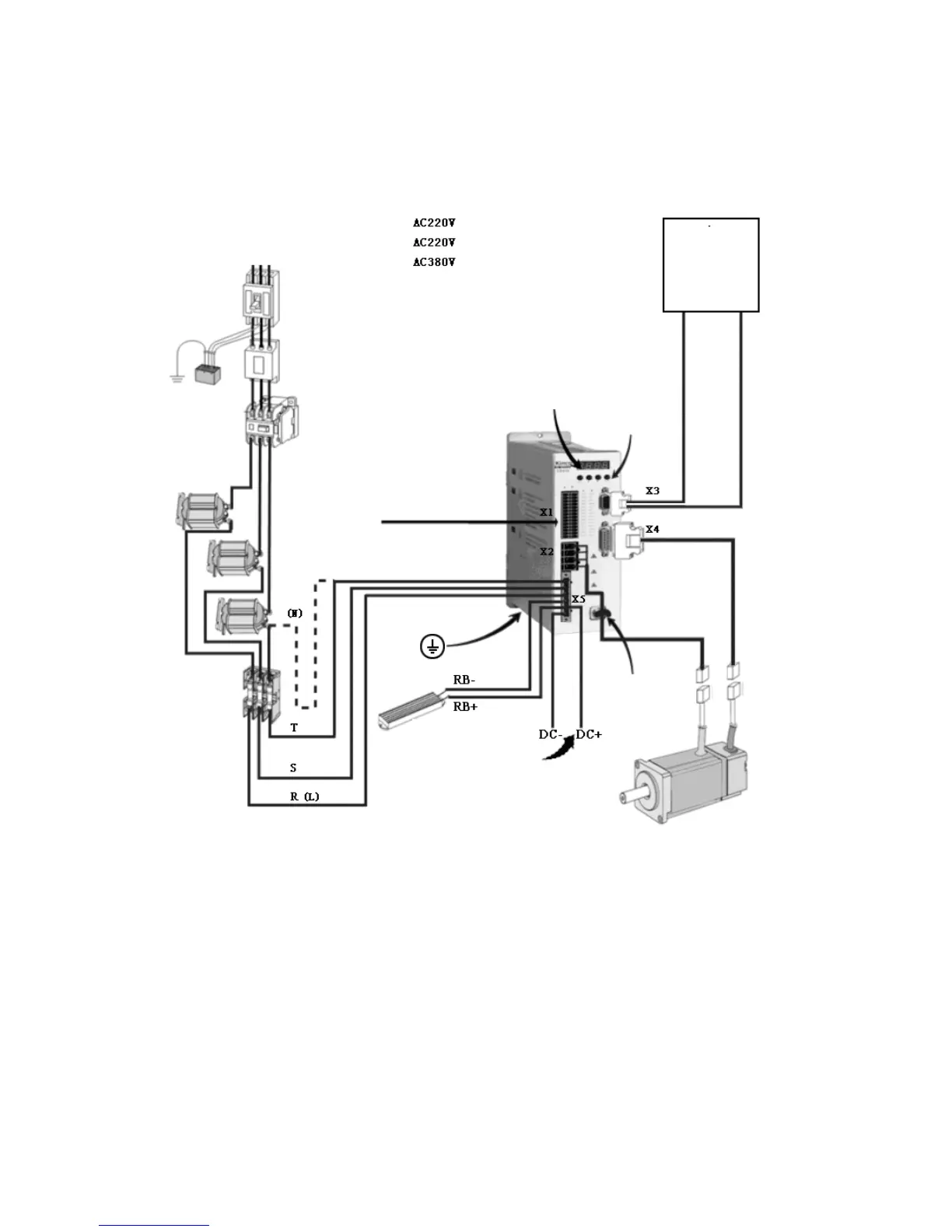
3.2 External Wirings of CD Driver
Power supply
(L) RST (N)
Surge controller
AC reactor
CD420 (single phase)
CD430 (single phase/
three phases)
CD620 (three phases)
Circuit breaker
Noise filter
Electromagnetic contactor
Protective tube
Host computer
Communication control
Encoder output
Numeric display
Numeric display key
Logic power, I/O control
Encoder line
Power line
Shielded wiring terminal
Braking resistor
DC bus
Note: For the CD420/CD430/CD620, all interfaces are the same except for X2 and X5 power
interfaces. For details, see Figure 3-4.
Fig. 3-1 External wirings of a CD driver

Table of Contents

Other manuals for Kinco CD430

Related product manuals