EasyManua.ls Logo

Kinco CD430 - Torque Mode (“4” Mode)

Kinco CD430
108 pages
Print Icon
To Next Page IconTo Next Page
To Next Page IconTo Next Page
To Previous Page IconTo Previous Page
To Previous Page IconTo Previous Page
Loading...
77
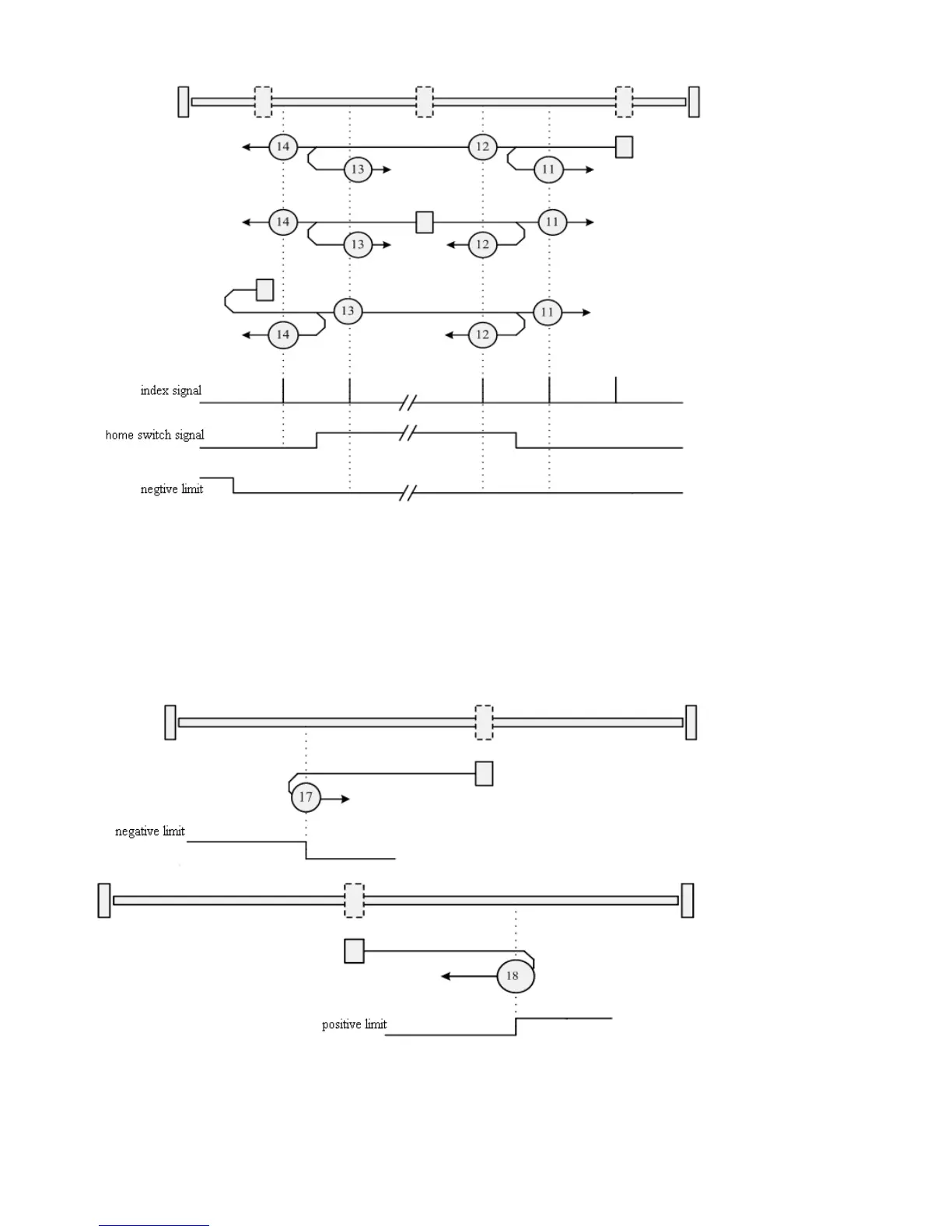
Methods 15 and 16: Reserved
These methods are reserved for future expansion of the homing mode.
Methods 17 to 30: Homing without an index pulse
These methods are similar to methods 1 to 14, except that the home position is not
dependent on the index pulse; it is dependent only on the relevant home or limit switch
transitions. For example, methods 19 and 20 are similar to methods 3 and 4, as shown in
the following diagram:

Table of Contents

Other manuals for Kinco CD430

Related product manuals