EasyManua.ls Logo

Kinco CD430 - Page 79

Kinco CD430
108 pages
Print Icon
To Next Page IconTo Next Page
To Next Page IconTo Next Page
To Previous Page IconTo Previous Page
To Previous Page IconTo Previous Page
Loading...
79
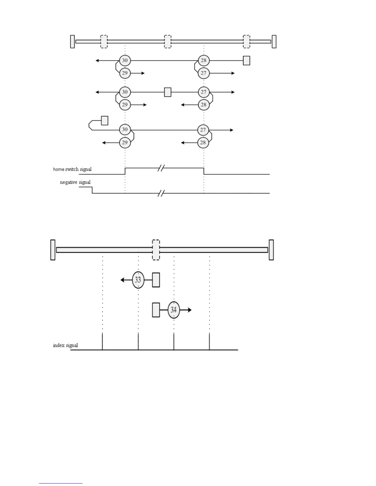
Methods 31 and 32: Reserved
These methods are reserved for future expansion of the homing mode.
Methods 33 and 34: Homing on the index
Method 35: Homing on the current position
In this method, the current position is taken to be the home position.
Methods -17 and -18: Use the mechanical terminal as reference point

Table of Contents

Other manuals for Kinco CD430

Related product manuals